Червячный мотор-редуктор NMRV 090

NMRV 090

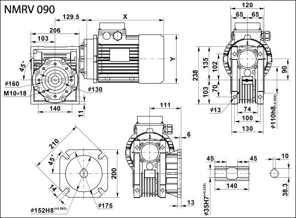
Мотор-редуктор одноступенчатый червячный серии NMRV 090 предназначен для понижения угловой скорости электродвигателя. Привод имеет компактные размеры и небольшую массу. Выходной вал редуктора полый диаметром 35 мм. Максимальная подводимая мощность электродвигателя 4 кВт при этом редуктор NMRV 090 развивает момент до 480 Нм.

Вернуться в общее описание

 

Редукторы NMRV имеют следующие типоразмеры:

nmrv 030, nmrv 040, nmrv 050, nmrv 063, nmrv 075, nmrv 090, nmrv 110, nmrv 130, nmrv 150

  • Типоразмер - 090 - изготавливается из алюминиевого сплава, литого под давлением;
  • Нагрузочная способность в соответствии с: ISO 14521, ISO 6336, DIN 3990, DIN 743, ISO 281, DIN 3996, BS 721, AGMA 6034;
  • Передаточное отношение - 7,5 - 100;
  • Мощность электродвигателя - 0,37- 4,0 квт;
  • Момент на выходном валу - 71 - 480 Нм;
  • Окраска редуктора синяя - RAL 5010.

 

Габаритные и присоединительные размеры NMRV 090

Габаритные и присоединительные размеры NMRV 090

 

Выходные обороты и мощность электродвигателя

Мощность электродвигателя в кВт
Скорость вращения выходного вала в об/мин
Момент на выходном валу в Нм
Сервис-фактор s/f
Передаточное отношение - i
Габарит и количество полюсов электродвигателя
Максимальная радиальная нагрузка на выходной вал
0,37
11.3
185
1.7
80
80A6
7859
9.0
212
1.3
100
8180
0,55
17.5
189
1.5
80
80A4
6783
14.0
221
1.2
100
7306
18.0
198
2.0
50
80B6
6719
15.0
224
1.6
60
7140
11.3
275
1.1
80
7859
9.0
315
0.9
100
8180
0,75
35.0
141
1.6
80
80A2
5383
28.0
166
1.2
100
5799
28.0
184
1.8
50
80B4
5799
23.3
212
1.5
60
6163
17.5
258
1.1
80
6783
14.0
302
0.9
100
7306
30.0
179
2.6
30
90S6
5667
22.5
226
1.8
40
6238
18.0
271
1.4
50
6719
15.0
306
1.1
60
7140
1,1
35.0
207
1.1
80
80B2
5383
28.0
244
0.8
100
5799
36.0
231
1.6
25
90L6
5333
30.0
263
1.8
30
5667
22.5
331
1.2
40
6238
18.0
397
1.0
50
6719
15.0
448
0.8
60
7140
35.0
225
1.6
40
90S4
5383
28.0
270
1.3
50
5799
23.3
311
1.0
60
6163
1,5
90.0
138
2.7
10
100L6
3929
60.0
201
2.1
15
4498
45.0
258
1.5
20
4951
36.0
314
1.2
25
5333
30.0
358
1.3
30
5667
70.0
172
2.1
20
90L4
4273
56.0
210
1.6
25
4603
46.7
239
1.7
30
4891
35.0
307
1.2
40
5383
28.0
368
0.9
50
5799
23.3
424
0.8
60
6163
56.0
194
1.4
50
90S2
4603
46.7
227
1.1
60
4891
2,2
186.7
101
2.9
7.5
100LA4
3081
140.0
134
2.3
10
3391
93.3
194
1.9
15
3882
70.0
252
1.4
20
4273
56.0
308
1.1
25
4603
46.7
351
1.2
30
4891
120.0
156
2.2
7.5
112М6
3570
90.0
203
1.8
10
3929
60.0
294
1.4
15
4498
45.0
378
1.0
20
4951
140.0
131
2.0
20
90L2
3391
112.0
159
1.6
25
3653
93.3
185
1.7
30
3882
70.0
237
1.2
40
4273
56.0
285
0.9
50
4603
3
373.3
71
3.0
7.5
100LA2
2446
280.0
92
2.6
10
2692
186.7
138
2.1
7.5
100LB4
3081
140.0
182
1.7
10
3391
93.3
264
1.4
15
3882
70.0
344
1.0
20
4273
56.0
420
0.8
25
4603
46.7
479
0.9
30
4891
4
373.3
94
2.2
7.5
112M2
2446
280.0
123
1.9
10
2692
186.7
184
1.6
7.5
112M4
3081
140.0
243
1.3
10
3391
93.3
352
1.0
15
3882
70.0
458
0.8
20
4273

 

Пример заказа редуктора:

NMRV - 090 - 40 - 35 - 3,0 - B3

NMRV - модель червячного редуктора
090 - габарит межцентровое расстояние в мм
40 - передаточное число
35 - скорость вращения выходного вала, об/мин
3,0 - мощность электродвигателя, кВт
B3 - расположение в пространстве

 

 
© 2014 Редукторы, мотор-редукторы, устройства плавного пуска, преобразователи частоты