Вернуться в общее описание
Редукторы NMRV имеют следующие типоразмеры:
nmrv 030, nmrv 040, nmrv 050, nmrv 063, nmrv 075, nmrv 090, nmrv 110, nmrv 130, nmrv 150
- Типоразмер - 050 - изготавливается из алюминиевого сплава, литого под давлением;
- Нагрузочная способность в соответствии с: ISO 14521, ISO 6336, DIN 3990, DIN 743, ISO 281, DIN 3996, BS 721, AGMA 6034;
- Передаточное отношение - 5 - 100;
- Мощность электродвигателя - 0,09 - 1,5 квт;
- Момент на выходном валу - 12 - 89 Нм;
- Окраска редуктора синяя - RAL 5010.
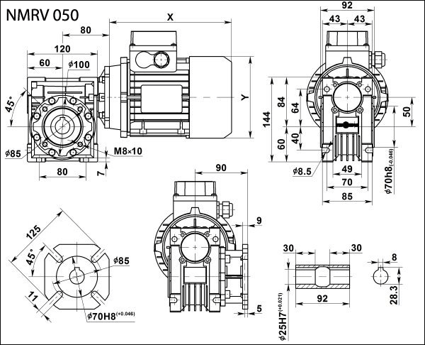
Габаритные и присоединительные размеры NMRV 050

Выходные обороты и мощность электродвигателя
Мощность электродвигателя в кВт |
Скорость вращения выходного вала в об/мин |
Момент на выходном валу в Нм |
Сервис-фактор s/f |
Передаточное отношение - i |
Габарит и количество полюсов электродвигателя |
Максимальная радиальная нагрузка на выходной вал |
0,09 |
15.0 |
32 |
2.3 |
60 |
63B6 |
4183 |
11.3 |
37 |
1.8 |
80 |
4604 |
9.0 |
42 |
1.3 |
100 |
4840 |
0,12 |
23.3 |
29 |
2.3 |
60 |
63A4 |
3610 |
17.5 |
35 |
1.9 |
80 |
3973 |
14.0 |
40 |
1.4 |
100 |
4280 |
22.5 |
32 |
2.6 |
40 |
63C6 |
3654 |
18.0 |
38 |
2.0 |
50 |
3936 |
15.0 |
42 |
1.7 |
60 |
4183 |
11.3 |
50 |
1.4 |
80 |
4604 |
9.0 |
56 |
1.0 |
100 |
4840 |
0,18 |
46.7 |
24 |
2.1 |
60 |
63A2 |
2865 |
35.0 |
30 |
1.5 |
80 |
3153 |
28.0 |
34 |
1.2 |
100 |
3397 |
35.0 |
33 |
2.3 |
40 |
63 B4 |
3153 |
28.0 |
39 |
1.9 |
50 |
3397 |
23.3 |
43 |
1.6 |
60 |
3610 |
17.5 |
52 |
1.2 |
80 |
3973 |
14.0 |
60 |
0.9 |
100 |
4280 |
18.0 |
56 |
1.4 |
50 |
71A6 |
3936 |
15.0 |
63 |
1.1 |
60 |
4183 |
11.3 |
75 |
0.9 |
80 |
4604 |
0,25 |
35.0 |
42 |
1.1 |
80 |
63B2 |
3153 |
28.0 |
48 |
0.8 |
100 |
3397 |
70.0 |
27 |
2.7 |
20 |
71A4 |
2503 |
56.0 |
32 |
2.2 |
25 |
2696 |
46.7 |
37 |
2.3 |
30 |
2865 |
35.0 |
46 |
1.7 |
40 |
3153 |
28.0 |
54 |
1.4 |
50 |
3397 |
23.3 |
60 |
1.1 |
60 |
3610 |
17.5 |
72 |
0.9 |
80 |
3973 |
45.0 |
40 |
1.9 |
20 |
71 B6 |
2900 |
36.0 |
48 |
1.5 |
25 |
3124 |
30.0 |
54 |
1.7 |
30 |
3320 |
22.5 |
67 |
1.2 |
40 |
3654 |
18.0 |
78 |
1.0 |
50 |
3936 |
15.0 |
88 |
0.8 |
60 |
4183 |
0,37 |
112.0 |
25 |
2.0 |
25 |
71A2 |
2140 |
93.3 |
29 |
2.2 |
30 |
2274 |
70.0 |
37 |
1.6 |
40 |
2503 |
56.0 |
44 |
1.2 |
50 |
2696 |
46.7 |
50 |
1.0 |
60 |
2865 |
35.0 |
62 |
0.7 |
80 |
3153 |
140.0 |
22 |
3.3 |
10 |
71 B4 |
1987 |
93.3 |
31 |
2.4 |
15 |
2274 |
70.0 |
40 |
1.8 |
20 |
2503 |
56.0 |
48 |
1.5 |
25 |
2696 |
46.7 |
55 |
1.5 |
30 |
2865 |
35.0 |
68 |
1.1 |
40 |
3153 |
28.0 |
80 |
0.9 |
50 |
71B4 |
3397 |
23.3 |
89 |
0.8 |
60 |
3610 |
180.0 |
17 |
4.3 |
5 |
80A6 |
1827 |
120.0 |
25 |
3.3 |
7.5 |
2091 |
90.0 |
33 |
2.5 |
10 |
2302 |
60.0 |
47 |
1.8 |
15 |
2635 |
45.0 |
60 |
1.3 |
20 |
2900 |
36.0 |
72 |
1.0 |
25 |
3124 |
30.0 |
80 |
1.1 |
30 |
3320 |
0,55 |
140.0 |
31 |
1.7 |
20 |
71B2 |
1987 |
112.0 |
38 |
1.4 |
25 |
2140 |
93.3 |
43 |
1.5 |
30 |
2274 |
70.0 |
55 |
1.1 |
40 |
2503 |
56.0 |
65 |
0.8 |
50 |
2696 |
46.7 |
74 |
0.7 |
60 |
2865 |
280.0 |
17 |
3.7 |
5 |
80A4 |
1577 |
186.7 |
25 |
2.9 |
7.5 |
1805 |
140.0 |
32 |
2.2 |
10 |
80A4 |
1987 |
93.3 |
46 |
1.6 |
15 |
2274 |
70.0 |
59 |
1.2 |
20 |
2503 |
56.0 |
71 |
1.0 |
25 |
2696 |
46.7 |
81 |
1.0 |
30 |
2865 |
120.0 |
38 |
2.2 |
7.5 |
80B6 |
2091 |
90.0 |
49 |
1.7 |
10 |
2302 |
60.0 |
69 |
1.2 |
15 |
2635 |
45.0 |
89 |
0.9 |
20 |
2900 |
0,75 |
560.0 |
12 |
3.9 |
5 |
80А2 |
1251 |
373.3 |
17 |
3.0 |
7.5 |
1433 |
280.0 |
23 |
2.4 |
10 |
1577 |
186.7 |
33 |
1.7 |
15 |
1805 |
140.0 |
42 |
1.3 |
20 |
1987 |
112.0 |
51 |
1.0 |
25 |
2140 |
93.3 |
58 |
1.1 |
30 |
2274 |
280.0 |
23 |
2.7 |
5 |
80В4 |
1577 |
186.7 |
34 |
2.1 |
7.5 |
1805 |
140.0 |
44 |
1.6 |
10 |
1987 |
93.3 |
63 |
1.2 |
15 |
2274 |
70.0 |
81 |
0.9 |
20 |
2503 |
1,1 |
560.0 |
17 |
2.6 |
5 |
80B2 |
1251 |
373.3 |
25 |
2.1 |
7.5 |
1433 |
280.0 |
33 |
1.6 |
10 |
1577 |
186.7 |
48 |
1.2 |
15 |
1805 |
140.0 |
62 |
0.9 |
20 |
1987 |
1,5 |
560.0 |
23 |
1.9 |
5 |
90S2 |
1251 |
373.3 |
35 |
1.5 |
7.5 |
1433 |
280.0 |
45 |
1.2 |
10 |
1577 |
186.7 |
65 |
0.9 |
15 |
1805 |
Пример заказа редуктора:
NMRV - 050 - 100 - 14 - 0,12 - B3
NMRV - модель червячного редуктора
050 - габарит межцентровое расстояние в мм
100 - передаточное число
14 - скорость вращения выходного вала, об/мин
0,12 - мощность электродвигателя, кВт
B3 - расположение в пространстве
|