
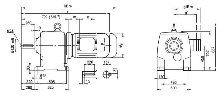
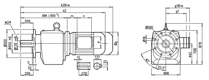
Габаритные и присоединительные размеры NORD мотор-редукторы SK 103, SK 103F |
| |
SK 103

SK 103F

A45 |
250 M |
280 S |
280 M |
315 S |
315 M |
g |
495 |
555 |
555 |
610 |
610 |
g1 / g1Bre |
392 / 392 |
432 / 432 |
432 / 432 |
500 / – |
500 / – |
k / kBre |
1566 / 1816 |
1636 / 1816 |
1626 / 1916 |
1738 / – |
1898 / – |
k2 / k2Bre |
1651 / 1901 |
1721 / 1901 |
1711 / 2001 |
1823 / – |
1983 / – |
m / mBre |
129 / 129 |
144 / 144 |
144 / 144 |
132 / – |
132 / – |
n / nBre |
236 / 236 |
236 / 236 |
236 / 236 |
307 / – |
307 / – |
p / pBre |
300 / 300 |
300 / 300 |
300 / 300 |
380 / – |
380 / – |
|
| |