|

Радиальные и осевые нагрузки цилиндро-конических редукторов NORD |
| |
|
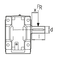
Модель
|
y
[mm] |
z
[mm] |
c
[Nmm] |
cVL [Nmm] |
f
[mm] |
d
[mm] |
l
[mm] |
SK 92072 |
95,0 |
115,0 |
0,06 x 106 |
-- |
0 |
20 |
40 |
SK 92712 |
111,0 |
131,0 |
0,05 x 106 |
-- |
0 |
20 |
40 |
SK 92372 |
128,0 |
153,0 |
0,08 x 106 |
-- |
0 |
25 |
50 |
SK 92672 |
136,0 |
166,0 |
0,12 x 106 |
-- |
0 |
30 |
60 |
SK 9012.1, SK 9013.1 |
111,0 |
141,0 |
0,14 x 106 |
0,24 x 106 |
0 |
30 |
60 |
SK 9016.1, SK 9017.1 |
111,0 |
146,0 |
0,25 x 106 |
0,41 x 106 |
0 |
35 |
70 |
SK 92772 |
153,0 |
188,0 |
0,16 x 106 |
-- |
0 |
35 |
70 |
SK 9022.1, SK 9023.1 |
144,0 |
179,0 |
0,17 x 106 |
0,30 x 106 |
0 |
35 |
70 |
SK 9032.1, SK 9033.1 |
171,5 |
216,5 |
0,29 x 106 |
0,58 x 106 |
0 |
45 |
90 |
SK 9042.1, SK 9043.1 |
181,0 |
241,0 |
1,22 x 106 |
1,99 x 106 |
0 |
60 |
120 |
SK 9052.1, SK 9053.1 |
237,0 |
307,0 |
1,75 x 106 |
3,08 x 106 |
0 |
70 |
140 |
SK 9072.1 |
281,0 |
366,0 |
4,49 x 106 |
7,05 x 106 |
0 |
90 |
170 |
SK 9082.1 |
326,75 |
431,76 |
8,36 x 106 |
12,82 x 106 |
0 |
110 |
210 |
SK 9086.1 |
422,0 |
527,0 |
9,56 x 106 |
15,60 x 106 |
0 |
120 |
210 |
SK 9092.1 |
515,0 |
640,0 |
14,40 x 106 |
24,61 x 106 |
0 |
140 |
250 |
SK 9096.1 |
550 |
710 |
48,73 x 106 |
-- |
0 |
140 |
320 |
| Модель |
y
[mm] |
z
[mm] |
c
[Nmm] |
cVL [Nmm] |
f
[mm] |
d
[mm] |
l
[mm] |
SK 02040 |
99,5 |
115,5 |
0,07 x 106 |
-- |
0 |
20 |
40 |
SK 02050, SK 13050 |
104,0 |
129,0 |
0,12 x 106 |
0,19 x 106 |
0 |
25 |
50 |
SK 12063, SK 13063 |
118,5 |
148,5 |
0,19 x 106 |
0,30 x 106 |
0 |
30 |
60 |
SK 12080, SK 13080 |
150,0 |
185,0 |
0,21 x 106 |
0,41 x 106 |
0 |
35 |
70 |
SK 32100, SK 33100 |
179,0 |
224,0 |
0,51 x 106 |
0,94 x 106 |
0 |
45 |
90 |
SK 42125, SK 43125 |
233,5 |
293,5 |
1,33 x 106 |
2,19 x 106 |
0 |
60 |
120 |
|
| |
|
| ©
2014 Редукторы, мотор-редукторы, устройства плавного пуска, преобразователи частоты |
|
|