|

Двухступенчатый червячный мотор-редуктор Tramec (Трамек) XX, XK, KK XX30/30, XX30/40, XX30/50, XX30/63, XX40/63, XX40/75, XX40/90, XX50/75, XX50/90, XX50/110, XX63/110: характеристики, устройство, принцип работы, цена |
|
Червячные двухступенчатые мотор-редукторы серии XX TRAMEC изготавливаются из качественных комплектующих итальянского производства. Благодаря этому червячные двухступенчатые мотор-редукторы CXC не изнашиваются, работают бесшумно и при этом имеют небольшой вес. Комплектуются редукторы асинхронными электродвигателями мощностью 0,06-1,5 кВт, диапазон выходных скоростей 0,1-12 об/мин.
|
|
Серия имеет следующие типоразмеры:
XX30/30, XX30/40, XX30/50, XX30/63, XX40/63, XX40/75, XX40/90, XX50/75, XX50/90, XX50/110, XX63/110

Система обозначения червячных мотор-редукторов серии XX
X X C 50/110 1200 P.A.M. F1 a B3 LD SeA1
X - Тип первой ступени мотор-редуктора
X - Тип второй ступени мотор-редуктора
C - Тип входа (A, C, F)
50/110 - Межосевое расстояние редуктора первой и второй ступени, мм
1200 - Номинальное передаточное отношение сборки
P.A.M. - Типоразмер электродвигателя (высота от лап до центра вала) 56, 63, 71, 80, 90
F1 - Версия (P, F, 1-2-3)
a - Исполнение (ab, cd, ef, gh, ik, im, no, pq)
B3 - Монтажная позиция (B3, B6, B7, B8, V5, V6)
LD - Ограничитель крутящего момента (LD, LS, L1)
SeA1 - Дополнительный входной вал (SeA1, SeA2)
H - Выходной вал (H, SD, SS, DD)
BR - Реактивная штанга (BR)
|
Типоразмер |
M max, Нм |
D - выходного вала,
мм |
XX30/30 |
39 |
14 |
XX30/40 |
82 |
18 |
XX30/50 |
150 |
25 |
XX30/63 |
279 |
25 |
XX40/63 |
279 |
25 |
XX40/75 |
442 |
28 |
XX40/90 |
673 |
35 |
XX50/75 |
442 |
28 |
XX50/90 |
709 |
35 |
XX50/110 |
1165 |
42 |
XX63/110 |
1229 |
42 |
|

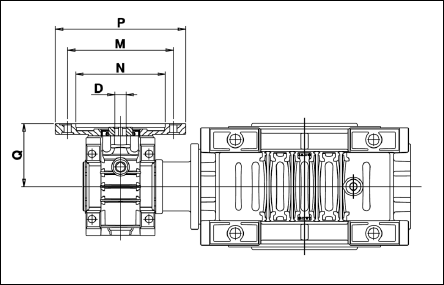
Габаритные и присоединительные размеры
Реактивная штанга, выходной вал
Присоединительные размеры фланца электродвигателя
Монтажные положения
Вес червячных редукторов серии XX, кг
Выходные обороты и мощность электродвигателей (кВт)

|
KXC - XXC - XXF -XXA |
a |
A |
b |
be |
b2 |
B |
C1 |
C2 |
de |
D2 H7 |
Et |
Eq |
E2 |
f2 |
G h8 |
h |
h1 |
h2 |
H |
H1 |
H2 |
30/30 |
54 |
80 |
44 |
3 |
5 |
- |
56 |
31,5 |
31,5 |
9 |
14 |
- |
41 |
40 |
40 |
6,5 |
55 |
71 |
27 |
44 |
97 |
40 |
57 |
30/40 |
70 |
105 |
60 |
6 |
6 |
71 |
39 |
18 |
19 |
50 |
6,5 |
60 |
90 |
35 |
55 |
125 |
50 |
75 |
30/50 |
80 |
125 |
70 |
8 |
8 |
85 |
46 |
25 |
24 |
60 |
8,5 |
70 |
104 |
40 |
64 |
150 |
60 |
90 |
30/63 |
100 |
147 |
85 |
- |
103 |
56 |
- |
72 |
9 |
80 |
130 |
50 |
80 |
182 |
72 |
110 |
40/63 |
4 |
39 |
11 |
51 |
50 |
40/75 |
120 |
176 |
90 |
8 |
8 |
112 |
60 |
28 |
30 |
86 |
11 |
95 |
153 |
60 |
93 |
219,5 |
86 |
133,5 |
50/75 |
5 |
46 |
14 |
60 |
60 |
40/90 |
140 |
203 |
100 |
4 |
10 |
- |
130 |
39 |
70 |
11 |
35 |
- |
51 |
50 |
103 |
13 |
110 |
172 |
70 |
102 |
248,5 |
103 |
145,5 |
50/90 |
5 |
46 |
14 |
60 |
60 |
50/110 |
170 |
252,5 |
115 |
12 |
- |
143 |
77,5 |
42 |
- |
127,5 |
14 |
130 |
210 |
85 |
125 |
310,5 |
127,5 |
183 |
63/110 |
6 |
56 |
19 |
71 |
72 |
|
KXC - XXC - XXF -XXA |
|
I |
I1 |
I2 |
Jt |
Jq |
Kc |
Kq |
L |
Lt |
M |
Me |
N |
Pp |
R |
S |
Tt |
Tq |
Te |
t2 |
X |
30/30 |
100 |
31,5 |
31,5 |
37,5 |
40 |
57 |
57 |
15 |
171,5 |
M6x8 |
M4x10 |
44,5 |
29 |
65 |
5,5 |
52,5 |
57 |
10,2 |
16,3 |
- |
1,5 |
30/40 |
122 |
40 |
203,5 |
M6x10 |
36,5 |
75 |
6 |
20,8 |
21,8 |
1,5 |
30/50 |
132 |
50 |
223,5 |
M8x10 |
43,5 |
85 |
7 |
28,3 |
27,3 |
1,5 |
30/63 |
145 |
63 |
248,5 |
M8x14 |
53 |
95 |
8 |
- |
2 |
40/63 |
150 |
40 |
43,5 |
50 |
75 |
75 |
20 |
261 |
M4x12 |
57,5 |
68,5 |
75 |
12,5 |
40/75 |
174,5 |
75 |
299,5 |
M8x14 |
57 |
115 |
10 |
31,3 |
33,3 |
2 |
50/75 |
190 |
50 |
53,5 |
60 |
82 |
82 |
25 |
322 |
M5x13 |
67,5 |
82,5 |
90 |
16 |
40/90 |
184,5 |
40 |
90 |
43,5 |
50 |
75 |
75 |
20 |
326,5 |
M10x18 |
M4x12 |
57,5 |
67 |
130 |
12 |
68,5 |
75 |
12,2 |
28,3 |
- |
2 |
50/90 |
200 |
50 |
53,5 |
60 |
82 |
82 |
25 |
349 |
M5x13 |
67,5 |
82,5 |
90 |
16 |
50/110 |
226 |
110 |
399,5 |
M8x20 |
74 |
165 |
14 |
45,3 |
- |
2 |
63/110 |
236 |
63 |
64 |
72 |
97 |
95 |
30 |
419,5 |
M8x20 |
77,5 |
100,5 |
110 |
21,5 |

Назад
Выходные обороты и мощность электродвигателей (кВт)





Назад
Присоединительные размеры фланца электродвигателя

|
PAM |
N |
M |
P |
Q |
225 |
300 |
400 |
450 |
500 |
600 |
750 |
900 |
1200 |
1500 |
1800 |
2400 |
3200 |
4000 |
5000 |
D |
XX30/30
XX30/40 |
56B5 |
80 |
100 |
120 |
54,5 |
9 |
9 |
9 |
9 |
9 |
9 |
9 |
9 |
9 |
9 |
9 |
9 |
9 |
9 |
9 |
5614 |
50 |
65 |
80 |
54,5 |
XX30/50 |
56B5 |
80 |
100 |
120 |
54,5 |
9 |
9 |
9 |
9 |
9 |
9 |
9 |
9 |
9 |
9 |
9 |
9 |
9 |
9 |
9 |
5614 |
50 |
65 |
80 |
54,5 |
63B5 |
95 |
115 |
140 |
54,5 |
11 |
11 |
11 |
11 |
|
|
|
|
|
|
|
|
|
|
|
63B14 |
60 |
75 |
90 |
54,5 |
XX30/63 |
56B5 |
80 |
100 |
120 |
54,5 |
9 |
9 |
9 |
9 |
9 |
9 |
9 |
9 |
9 |
9 |
9 |
9 |
9 |
9 |
9 |
5614 |
60 |
75 |
90 |
54,5 |
63B5 |
50 |
65 |
80 |
54,5 |
11 |
11 |
11 |
11 |
11 |
11 |
11 |
11 |
11 |
|
|
|
|
|
|
63B14 |
60 |
75 |
90 |
54,5 |
XX40/63
XX40/75 |
63B5 |
95 |
115 |
140 |
65 |
11 |
11 |
11 |
11 |
11 |
11 |
11 |
11 |
11 |
11 |
11 |
11 |
11 |
11 |
11 |
63B14 |
60 |
75 |
90 |
65 |
71B5 |
110 |
130 |
160 |
66 |
14 |
14 |
14 |
14 |
14 |
14 |
14 |
14 |
14 |
|
|
|
|
|
|
71B14 |
70 |
85 |
105 |
66 |
XX40/90 |
63B5 |
95 |
115 |
140 |
65 |
11 |
11 |
11 |
11 |
11 |
11 |
11 |
11 |
11 |
11 |
11 |
11 |
11 |
11 |
11 |
63B14 |
60 |
75 |
90 |
65 |
71B5 |
110 |
130 |
160 |
66 |
14 |
14 |
14 |
14 |
14 |
14 |
14 |
14 |
14 |
|
|
|
|
|
|
71B14 |
70 |
85 |
105 |
66 |
XX50/75
XX50/90
XX50/110 |
63B5 |
95 |
115 |
140 |
78 |
|
|
|
|
|
|
|
|
|
|
11 |
11 |
11 |
11 |
11 |
63B14 |
/ |
/ |
/ |
/ |
71B5 |
110 |
130 |
160 |
78 |
14 |
14 |
14 |
14 |
14 |
14 |
14 |
14 |
14 |
14 |
14 |
14 |
14 |
|
|
71B14 |
70 |
85 |
105 |
75 |
80B5 |
130 |
165 |
200 |
78 |
19 |
19 |
19 |
19 |
19 |
19 |
19 |
19 |
|
|
|
|
|
|
|
80B14 |
80 |
100 |
120 |
77 |
Назад
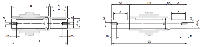
Реактивная штанга, выходной вал

KK-KX-XX |
A |
Ab |
B |
Bb |
d (h6) |
d1 |
e |
L |
Lb |
M |
m |
S |
Sb |
30/30 |
30 |
29 |
62 |
64 |
14 |
18,5 |
20 |
94,5 |
126 |
M6 |
16 |
2,5 |
2,5 |
30/40 |
40 |
39 |
77 |
79 |
18 |
23,5 |
30 |
120 |
161 |
M6 |
16 |
3 |
3 |
30/50 |
50 |
49 |
90 |
93 |
25 |
31,5 |
40 |
143,5 |
195 |
M8 |
22 |
3,5 |
3,5 |
30/63
40/63 |
50 |
49 |
111 |
113 |
25 |
31,5 |
40 |
165 |
216 |
M8 |
22 |
4 |
4 |
40/75
50/75 |
60 |
59 |
119 |
121 |
28 |
34,5 |
50 |
183 |
244 |
M8 |
22 |
4 |
4 |
40/90
50/90 |
80 |
78,5 |
139 |
141,5 |
35 |
41,5 |
60 |
224 |
305 |
M10 |
28 |
5 |
5 |
50/110
63/110 |
80 |
77,5 |
154,5 |
157 |
42 |
49,5 |
60 |
242,5 |
233,5 |
M10 |
28 |
8 |
8 |

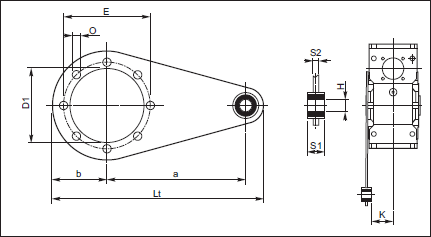
KK
KX
XX |
a |
b |
D1 |
E |
H |
K |
Lt |
O |
S1 |
S2 |
30/30 |
85 |
37,5 |
55 |
65 |
8 |
24 |
141,5 |
7 |
14 |
4 |
30/40 |
100 |
45 |
60 |
75 |
10 |
31,5 |
167 |
7 |
14 |
4 |
30/50 |
100 |
50 |
70 |
85 |
10 |
39 |
172 |
9 |
14 |
5 |
30/63
40/63 |
150 |
55 |
80 |
95 |
10 |
49 |
227 |
9 |
14 |
6 |
40/75
50/75 |
200 |
70 |
95 |
115 |
20 |
47,5 |
302 |
9 |
25 |
6 |
40/90
50/90 |
200 |
80 |
110 |
130 |
20 |
57,5 |
312 |
11 |
25 |
6 |
50/110
63/110 |
250 |
100 |
130 |
165 |
25 |
62 |
390 |
11 |
30 |
6 |
Назад
Монтажные положения двухступенчатых червячных редукторов серии XX


Назад
Положение клемной коробки электродвигателя

Назад
Вес червячных редукторов серии XX, кг
XX30/40 |
3,9 |
XX30/50 |
5,2 |
XX40/75 |
12 |
XX40/90 |
16,5 |
XX50/110 |
45 |
|
| |
|
| ©
2014 Редукторы, мотор-редукторы, устройства плавного пуска, преобразователи частоты |
|
|