
Габаритные и присоединительные размеры NORD мотор-редукторы SK 92372, SK 92372AX, SK 92372AF, SK 92372VF, SK 92372AFB(AXB), SK 92372AZ, SK 92372AZB, SK 92372AZSH, SK 92372 AZD |
| |
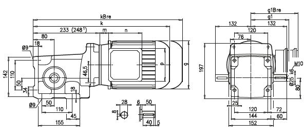
| SK 92372 |
SK 92372AX |
 |
 |
| SK 92372AF |
SK 92372VF |
 |
 |
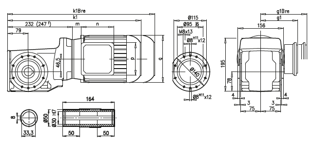
a1 |
b1 |
c1 |
e1 |
f1 |
s1 |
160 |
110 |
12 |
130 |
3,5 |
4 x 9 |
200 |
130 |
12 |
165 |
3,5 |
4 x 11 |
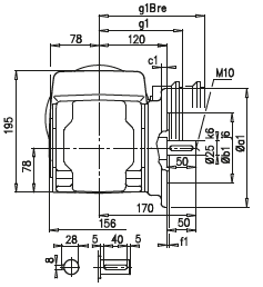
| SK 92372AZ |
 |
| SK 92372 AZD |
 |
A45 |
63 S/L |
71 S/L |
80 S/L |
90 S/L1) |
100 L1) |
g |
130 |
145 |
165 |
183 |
201 |
g1 / g1Bre |
115 / 123 |
124 / 133 |
142 / 142 |
147 / 147 |
169 / 172 |
k1 / k1Bre |
424 / 480 |
446 / 504 |
468 / 532 |
523 / 598 |
553 / 644 |
m / mBre |
12 / 19 |
20 / 27 |
22 / 26 |
26 / 30 |
32 / 36 |
n / nBre |
100 / 134 |
100 / 134 |
114 / 153 |
114 / 153 |
114 / 153 |
p / pBre |
100 / 89 |
100 / 89 |
114 / 108 |
114 / 108 |
114 / 108 |
|
| |