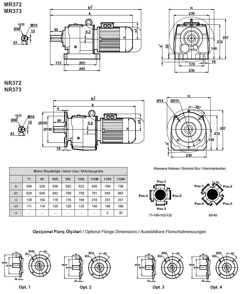
Габаритные и присоединительные размеры MR372, MR373 (MRF372, MRF373)
Назад
Назад
© 2014 Редукторы, мотор-редукторы, устройства плавного пуска, преобразователи частоты