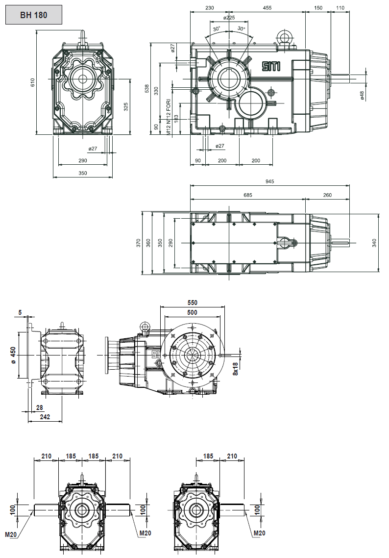
Габаритно-присоединительные размеры MBH 180

 

Назад

Габаритно-присоединительные размеры MBH 180

i
MBHGC
100
112
132
160
180
200
7,94
9,38
10,67
13,04
15,41
17,52
20,93
24,08
26,56
31,03
34,65
41,44
47,22
54,45
63,75
93,50
110.50
145,66
162,07
182,12

Назад

 
© 2014 Редукторы, мотор-редукторы, устройства плавного пуска, преобразователи частоты