
Габаритно-присоединительные размеры. Конические мотор-редукторы Yilmaz серии KR473 |
| |
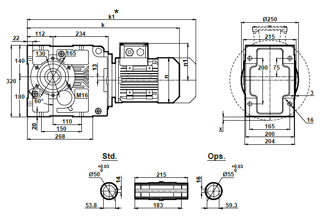
Монтажное исполнение KR473.00

|
80 |
90S |
90L |
100L |
112M |
132S |
132M |
160M |
160L |
180M |
180L |
k |
586.5 |
625.5 |
625.5 |
670.5 |
694.5 |
779.5 |
779.5 |
875.5 |
875.5 |
947.5 |
947.5 |
k1 |
679.5 |
729 |
729 |
779 |
799 |
909.5 |
909.5 |
1023.5 |
1023.5 |
1106 |
1106 |
n |
155 |
176 |
176 |
193 |
215 |
257 |
257 |
316 |
316 |
354 |
354 |
n1 |
121 |
133 |
133 |
147 |
158 |
179 |
179 |
224 |
224 |
240 |
240 |
x |
- |
- |
- |
- |
- |
- |
- |
- |
- |
6.5 |
6.5 |
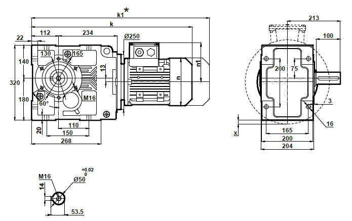
Монтажное исполнение KR473.01

|
80 |
90S |
90L |
100L |
112M |
132S |
132M |
160M |
160L |
180M |
180L |
k |
586.5 |
625.5 |
625.5 |
670.5 |
694.5 |
779.5 |
779.5 |
875.5 |
875.5 |
947.5 |
947.5 |
k1 |
679.5 |
729 |
729 |
779 |
799 |
909.5 |
909.5 |
1023.5 |
1023.5 |
1106 |
1106 |
n |
155 |
176 |
176 |
193 |
215 |
257 |
257 |
316 |
316 |
354 |
354 |
n1 |
121 |
133 |
133 |
147 |
158 |
179 |
179 |
224 |
224 |
240 |
240 |
x |
- |
- |
- |
- |
- |
- |
- |
- |
- |
6.5 |
6.5 |
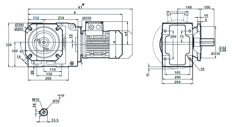
Монтажное исполнение на фланце KR473.02

|
80 |
90S |
90L |
100L |
112M |
132S |
132M |
160M |
160L |
180M |
180L |
k |
586.5 |
625.5 |
625.5 |
670.5 |
694.5 |
779.5 |
779.5 |
875.5 |
875.5 |
947.5 |
947.5 |
k1 |
679.5 |
729 |
729 |
779 |
799 |
909.5 |
909.5 |
1023.5 |
1023.5 |
1106 |
1106 |
n |
155 |
176 |
176 |
193 |
215 |
257 |
257 |
316 |
316 |
354 |
354 |
n1 |
121 |
133 |
133 |
147 |
158 |
179 |
179 |
224 |
224 |
240 |
240 |
x |
- |
- |
- |
- |
- |
- |
- |
- |
- |
6.5 |
6.5 |
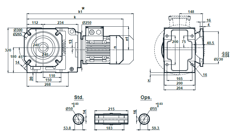
Монтажное исполнение на фланце KR473.03

|
80 |
90S |
90L |
100L |
112M |
132S |
132M |
160M |
160L |
180M |
180L |
k |
586.5 |
625.5 |
625.5 |
670.5 |
694.5 |
779.5 |
779.5 |
875.5 |
875.5 |
947.5 |
947.5 |
k1 |
679.5 |
729 |
729 |
779 |
799 |
909.5 |
909.5 |
1023.5 |
1023.5 |
1106 |
1106 |
n |
155 |
176 |
176 |
193 |
215 |
257 |
257 |
316 |
316 |
354 |
354 |
n1 |
121 |
133 |
133 |
147 |
158 |
179 |
179 |
224 |
224 |
240 |
240 |
x |
- |
- |
- |
- |
- |
- |
- |
- |
- |
6.5 |
6.5 |
|
| |