Серия имеет следующие типоразмеры:
KPC 30-PC 40, KPC 30-PC 50, KPC 40-PC 75, KPC 40-PC 90, KPC 50-PC 110

Система обозначения червячных мотор-редукторов серии KPC
К |
РС |
- 40 |
- РС |
- 50 |
- 1200 |
- 1,17 |
- Ф |
- AAL |
- 0,12 |
- 252 |
- 380 |
- 50 |
- (4P)
|
1 |
2 |
3 |
4 |
5 |
6 |
7 |
8 |
9 |
10 |
11 |
12 |
11 |
12 |
1 – Cерия двухступенчатого редуктора
2 – Cерия редуктора первой ступени (PC)
3 – Межосевое расстояние редуктора первой ступени, мм
(30,40,50,63)
4 – Cерия редуктора второй ступени (PC)
5 – Межосевое расстояние редуктора второй ступени, мм
(30,40,50,63,75,90,110)
6 – Номинальное передаточное отношение сборки
7 – Число оборотов выходного вала, об/мин
8 – Фланец на выходном валу редуктора (Ф, ФБ, ФЛ)
9 – Монтажное положение (BAL,BAR,AAL,AAR,VAL,VAR,MAL,MAR)
10 – Мощность электродвигателя, kW
11 – Крутящий момент на выходном валу, Nm
12 – Напряжение питания электродвигателя, V
13 – Частота питающей сети, Гц
14 – Количество полюсов электродвигателя (2,4,6) |
Типоразмер |
M max, Нм |
D - выходного вала,
мм |
KPC 30-PC 40 |
60 |
14 |
KPC 30-PC 50 |
110 |
25 |
KPC 40-PC 75 |
310 |
28 |
KPC 40-PC 90 |
600 |
35 |
KPC 50-PC 110 |
900 |
42 |
|
Габаритные и присоединительные размеры
Червячные редукторы KPC 30-PC 40
Червячные редукторы KPC 30-PC 50
Червячные редукторы KPC 40-PC 75
Червячные редукторы KPC 40-PC 90
Червячные редукторы KPC 50-PC 110
Реактивная штанга, выходной вал
Присоединительные размеры фланца электродвигателя
Монтажные положения
Вес червячных редукторов серии KPC, кг
Выходные обороты и мощность электродвигателей (кВт) pdf.
KPC 30-PC 40

Назад
KPC 30-PC 50

Назад
KPC 40-PC 75

Назад
KPC 40-PC 90

Назад
KPC 50-PC 110

Назад
Присоединительные размеры фланца электродвигателя

|
PAM |
N |
M |
P |
Q |
225 |
300 |
400 |
450 |
500 |
600 |
750 |
900 |
1200 |
1500 |
1800 |
2400 |
3200 |
4000 |
5000 |
D |
KPC 30-PC 40 |
56B5 |
80 |
100 |
120 |
54,5 |
9 |
9 |
9 |
9 |
9 |
9 |
9 |
9 |
9 |
9 |
9 |
9 |
9 |
9 |
9 |
5614 |
50 |
65 |
80 |
54,5 |
KPC 30-PC 50 |
56B5 |
80 |
100 |
120 |
54,5 |
9 |
9 |
9 |
9 |
9 |
9 |
9 |
9 |
9 |
9 |
9 |
9 |
9 |
9 |
9 |
5614 |
50 |
65 |
80 |
54,5 |
63B5 |
95 |
115 |
140 |
54,5 |
11 |
11 |
11 |
11 |
|
|
|
|
|
|
|
|
|
|
|
63B14 |
60 |
75 |
90 |
54,5 |
KPC 30-PC 63 |
56B5 |
80 |
100 |
120 |
54,5 |
9 |
9 |
9 |
9 |
9 |
9 |
9 |
9 |
9 |
9 |
9 |
9 |
9 |
9 |
9 |
5614 |
60 |
75 |
90 |
54,5 |
63B5 |
50 |
65 |
80 |
54,5 |
11 |
11 |
11 |
11 |
11 |
11 |
11 |
11 |
11 |
|
|
|
|
|
|
63B14 |
60 |
75 |
90 |
54,5 |
KPC 40-PC 75 |
63B5 |
95 |
115 |
140 |
65 |
11 |
11 |
11 |
11 |
11 |
11 |
11 |
11 |
11 |
11 |
11 |
11 |
11 |
11 |
11 |
63B14 |
60 |
75 |
90 |
65 |
71B5 |
110 |
130 |
160 |
66 |
14 |
14 |
14 |
14 |
14 |
14 |
14 |
14 |
14 |
|
|
|
|
|
|
71B14 |
70 |
85 |
105 |
66 |
KPC 40-PC 90 |
63B5 |
95 |
115 |
140 |
65 |
11 |
11 |
11 |
11 |
11 |
11 |
11 |
11 |
11 |
11 |
11 |
11 |
11 |
11 |
11 |
63B14 |
60 |
75 |
90 |
65 |
71B5 |
110 |
130 |
160 |
66 |
14 |
14 |
14 |
14 |
14 |
14 |
14 |
14 |
14 |
|
|
|
|
|
|
71B14 |
70 |
85 |
105 |
66 |
KPC 50-PC 110 |
63B5 |
95 |
115 |
140 |
78 |
|
|
|
|
|
|
|
|
|
|
11 |
11 |
11 |
11 |
11 |
63B14 |
/ |
/ |
/ |
/ |
71B5 |
110 |
130 |
160 |
78 |
14 |
14 |
14 |
14 |
14 |
14 |
14 |
14 |
14 |
14 |
14 |
14 |
14 |
|
|
71B14 |
70 |
85 |
105 |
75 |
80B5 |
130 |
165 |
200 |
78 |
19 |
19 |
19 |
19 |
19 |
19 |
19 |
19 |
|
|
|
|
|
|
|
80B14 |
80 |
100 |
120 |
77 |
Назад
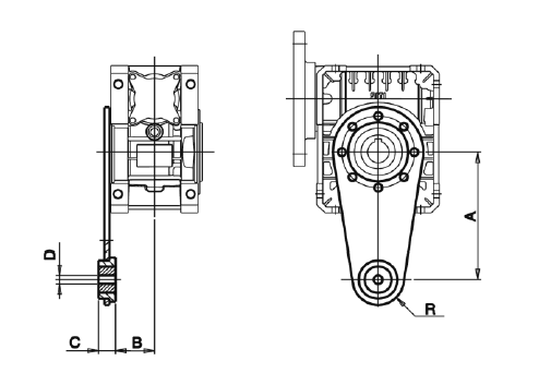
Реактивная штанга, выходной вал

|
A |
A1 |
B |
B1 |
C |
C1 |
D h7 |
d |
L |
b1 |
t1 |
PC30 |
28,5 |
57 |
35 |
35 |
30 |
30 |
14 |
M5 |
127 |
5 |
16 |
PC40 |
39 |
78 |
43 |
43 |
40 |
40 |
18 |
M5 |
164 |
6 |
20,5 |
PC50 |
46 |
92 |
53,5 |
53,5 |
50 |
50 |
25 |
M8 |
199 |
8 |
28 |
PC63 |
56 |
112 |
65 |
53,5 |
60 |
50 |
25 |
M8 |
219 |
8 |
28 |
PC75 |
60 |
120 |
70 |
63,5 |
60 |
60 |
28 |
M8 |
247 |
8 |
31 |
PC90 |
70 |
140 |
65 |
84,5 |
60 |
80 |
35 |
M8 |
309 |
8 |
38 |
PC110 |
77,5 |
155 |
126 |
84,5 |
110 |
80 |
42 |
M10 |
324 |
12 |
45 |

|
A |
B |
C |
D |
R |
PC30 |
85 |
26,5 |
12,5 |
8 |
12,4 |
PC40 |
100 |
29,5 |
20 |
10 |
30 |
PC50 |
100 |
35,5 |
20 |
10 |
36 |
PC63 |
150 |
46 |
20 |
10 |
30 |
PC75 |
200 |
47,5 |
25 |
14 |
37,5 |
PC90 |
200 |
57,5 |
25 |
14 |
37,5 |
PC110 |
250 |
64,5 |
25 |
14 |
37,5 |
Назад
Монтажные положения двухступенчатых червячных редукторов серии KPC

Назад
Положение клемной коробки электродвигателя

Назад
Вес червячных редукторов серии KPC
PC30 |
0,9 |
PC40 |
2 |
PC50 |
3 |
PC63 |
5 |
PC75 |
8 |
PC90 |
13 |
PC110 |
35 |
PC130 |
48 |
PC150 |
84 |
Популярные аналоги - мотор-редукторы DRV применяются во многих областях промышленности. И будем посетить веб-ресурс с подробным описанием.
|