|
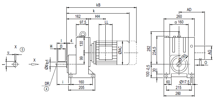
Монтажное исполнение на лапах E88

| d |
to1 |
l |
l4 |
l3 |
t |
u |
i |
DR |
40 *) |
k6 |
80 |
5 |
70 |
43 |
12 |
110 |
M16x36 |
45 |
k6 |
90 |
5 |
80 |
48.5 |
14 |
120 |
M16x36 |
| Мотор |
E88
k |
kB |
AC |
AD |
AG |
LL |
HH |
O |
Вес
E88 |
LA90S/L |
462.0 |
533.0 |
174.0 |
163.0 |
90 |
90 |
87.5 |
M20x1.5/M25x1.5 |
52 |
LA90ZL |
507.0 |
578.0 |
174.0 |
163.0 |
90 |
90 |
211.5 |
M20x1.5/M25x1.5 |
58 |
LA100L |
505.5 |
586.5 |
195.0 |
168.0 |
120 |
120 |
125.5 |
2xM32x1.5 |
60 |
LA100ZL |
575.5 |
656.5 |
195.0 |
168.0 |
120 |
120 |
257.5 |
2xM32x1.5 |
70 |
LA112M |
531.5 |
612.5 |
219.0 |
181.0 |
120 |
120 |
127.5 |
2xM32x1.5 |
72 |
LA112ZM |
559.5 |
640.5 |
219.0 |
181.0 |
120 |
120 |
231.5 |
2xM32x1.5 |
79 |
LA132S/M |
591.5 |
693.5 |
259.0 |
195.0 |
140 |
140 |
168.0 |
2xM32x1.5 |
84 |
LA132ZM |
637.5 |
739.5 |
259.0 |
195.0 |
140 |
140 |
276.0 |
2xM32x1.5 |
105 |
LA160M/L |
696.0 |
814.5 |
313.5 |
227.0 |
165 |
165 |
195.5 |
2xM40x1.5 |
119 |
LA160ZL |
744.0 |
862.5 |
313.5 |
227.0 |
165 |
165 |
348.5 |
2xM40x1.5 |
158 |
LG180M/L |
756.0 |
878.0 |
348.0 |
322.5 |
260 |
192 |
213.0 |
2xM40x1.5 |
211 |
LG180ZM/ZL |
807.0 |
929.0 |
348.0 |
322.5 |
260 |
192 |
213.0 |
2xM40x1.5 |
241 |
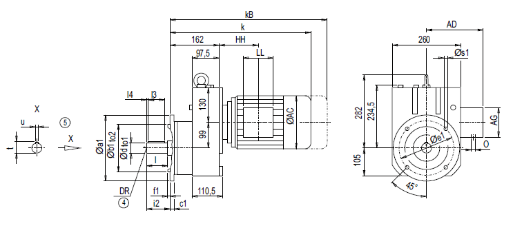
Монтажное исполнение на фланце EF88 (тип A)

| Фланец |
a1 |
b1 |
to2 |
c1 |
e1 |
f1 |
s1 |
d |
to1 |
l |
l4 |
l3 |
t |
u |
i2 |
DR |
A250 |
250 |
180 |
j6 |
15 |
215 |
4 |
13.5 |
40 *) |
k6 |
80 |
5 |
70 |
43 |
12 |
80 |
M16x36 |
45 |
k6 |
90 |
5 |
80 |
48.5 |
14 |
90 |
M16x36 |
A300 |
300 |
230 |
j6 |
16 |
265 |
4 |
13.5 |
40 *) |
k6 |
80 |
5 |
70 |
43 |
12 |
80 |
M16x36 |
45 |
k6 |
90 |
5 |
80 |
48.5 |
14 |
90 |
M16x36 |
A350 |
350 |
250 |
h6 |
18 |
300 |
4 |
17.5 |
40 *) |
k6 |
80 |
5 |
70 |
43 |
12 |
80 |
M16x36 |
45 |
k6 |
90 |
5 |
80 |
48.5 |
14 |
90 |
M16x36 |
| Мотор |
EF88
k |
kB |
AC |
AD |
AG |
LL |
HH |
O |
Вес
EF88 |
LA90S/L |
462.0 |
533.0 |
174.0 |
163.0 |
90 |
90 |
87.5 |
M20x1.5/M25x1.5 |
54 |
LA90ZL |
507.0 |
578.0 |
174.0 |
163.0 |
90 |
90 |
211.5 |
M20x1.5/M25x1.5 |
60 |
LA100L |
505.5 |
586.5 |
195.0 |
168.0 |
120 |
120 |
125.5 |
2xM32x1.5 |
62 |
LA100ZL |
575.5 |
656.5 |
195.0 |
168.0 |
120 |
120 |
257.5 |
2xM32x1.5 |
72 |
LA112M |
531.5 |
612.5 |
219.0 |
181.0 |
120 |
120 |
127.5 |
2xM32x1.5 |
74 |
LA112ZM |
559.5 |
640.5 |
219.0 |
181.0 |
120 |
120 |
231.5 |
2xM32x1.5 |
81 |
LA132S/M |
591.5 |
693.5 |
259.0 |
195.0 |
140 |
140 |
168.0 |
2xM32x1.5 |
85 |
LA132ZM |
637.5 |
739.5 |
259.0 |
195.0 |
140 |
140 |
276.0 |
2xM32x1.5 |
107 |
LA160M/L |
696.0 |
814.5 |
313.5 |
227.0 |
165 |
165 |
195.5 |
2xM40x1.5 |
120 |
LA160ZL |
744.0 |
862.5 |
313.5 |
227.0 |
165 |
165 |
348.5 |
2xM40x1.5 |
159 |
LG180M/L |
756.0 |
878.0 |
348.0 |
322.5 |
260 |
192 |
213.0 |
2xM40x1.5 |
212 |
LG180ZM/ZL |
807.0 |
929.0 |
348.0 |
322.5 |
260 |
192 |
213.0 |
2xM40x1.5 |
242 |
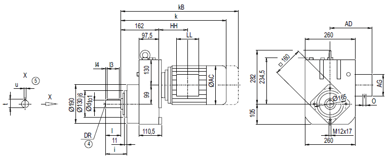
Монтажное исполнение с фланцевым корпусом (тип C) EZ88

| d |
to1 |
l |
l4 |
l3 |
t |
u |
i |
DR |
40 *) |
k6 |
80 |
5 |
70 |
43 |
12 |
98 |
M16x36 |
45 |
k6 |
90 |
5 |
80 |
48.5 |
14 |
108 |
M16x36 |
| Мотор |
EZ88
k |
kB |
AC |
AD |
AG |
LL |
HH |
O |
Вес
EZ88 |
LA90S/L |
462.0 |
533.0 |
174.0 |
163.0 |
90 |
90 |
87.5 |
M20x1.5/M25x1.5 |
47 |
LA90ZL |
507.0 |
578.0 |
174.0 |
163.0 |
90 |
90 |
211.5 |
M20x1.5/M25x1.5 |
53 |
LA100L |
505.5 |
586.5 |
195.0 |
168.0 |
120 |
120 |
125.5 |
2xM32x1.5 |
55 |
LA100ZL |
575.5 |
656.5 |
195.0 |
168.0 |
120 |
120 |
257.5 |
2xM32x1.5 |
65 |
LA112M |
531.5 |
612.5 |
219.0 |
181.0 |
120 |
120 |
127.5 |
2xM32x1.5 |
67 |
LA112ZM |
559.5 |
640.5 |
219.0 |
181.0 |
120 |
120 |
231.5 |
2xM32x1.5 |
74 |
LA132S/M |
591.5 |
693.5 |
259.0 |
195.0 |
140 |
140 |
168.0 |
2xM32x1.5 |
79 |
LA132ZM |
637.5 |
739.5 |
259.0 |
195.0 |
140 |
140 |
276.0 |
2xM32x1.5 |
100 |
LA160M/L |
696.0 |
814.5 |
313.5 |
227.0 |
165 |
165 |
195.5 |
2xM40x1.5 |
114 |
LA160ZL |
744.0 |
862.5 |
313.5 |
227.0 |
165 |
165 |
348.5 |
2xM40x1.5 |
153 |
LG180M/L |
756.0 |
878.0 |
348.0 |
322.5 |
260 |
192 |
213.0 |
2xM40x1.5 |
206 |
LG180ZM/ZL |
807.0 |
929.0 |
348.0 |
322.5 |
260 |
192 |
213.0 |
2xM40x1.5 |
236 |
|