|
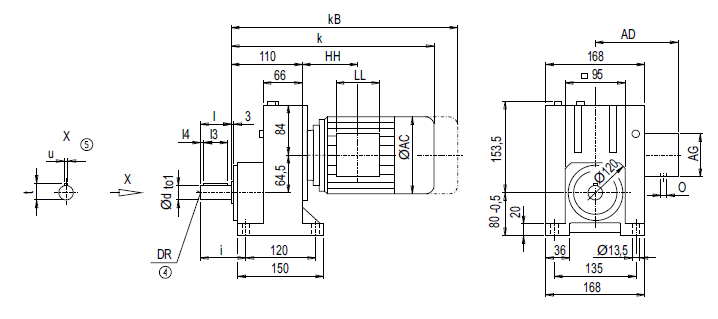
Монтажное исполнение на лапах E48

| d |
to1 |
l |
l4 |
l3 |
t |
u |
i |
DR |
25 *) |
k6 |
50 |
7 |
40 |
28 |
8 |
75 |
M10x22 |
30 |
k6 |
60 |
7 |
50 |
33 |
8 |
85 |
M10x22 |
| Мотор |
E48
k |
kB |
AC |
AD |
AG |
LL |
HH |
O |
Вес
E48 |
LA71 |
363.0 |
418.0 |
139.0 |
146 |
90 |
90 |
109.0 |
M20x1.5/M25x1.5 |
15 |
LA71Z |
382.0 |
437.0 |
139.0 |
146 |
90 |
90 |
109.0 |
M20x1.5/M25x1.5 |
15 |
LA80 |
400.0 |
463.5 |
156.5 |
155 |
90 |
90 |
108.5 |
M20x1.5/M25x1.5 |
20 |
LA80Z |
422.5 |
486.0 |
156.5 |
155 |
90 |
90 |
181.5 |
M20x1.5/M25x1.5 |
24 |
LA90S/L |
431.0 |
502.0 |
174.0 |
163 |
90 |
90 |
108.5 |
M20x1.5/M25x1.5 |
25 |
LA90ZL |
476.0 |
547.0 |
174.0 |
163 |
90 |
90 |
232.5 |
M20x1.5/M25x1.5 |
31 |
LA100L |
477.0 |
558.0 |
195.0 |
168 |
120 |
120 |
149.0 |
2xM32x1.5 |
34 |
LA100ZL |
547.0 |
628.0 |
195.0 |
168 |
120 |
120 |
281.0 |
2xM32x1.5 |
44 |
LA112M |
506.0 |
587.0 |
219.0 |
181 |
120 |
120 |
154.0 |
2xM32x1.5 |
45 |
LA112ZM |
534.0 |
615.0 |
219.0 |
181 |
120 |
120 |
258.0 |
2xM32x1.5 |
52 |
LA132S/M |
568.5 |
670.5 |
259.0 |
195 |
140 |
140 |
197.0 |
2xM32x1.5 |
55 |
LA132ZM |
614.5 |
716.5 |
259.0 |
195 |
140 |
140 |
305.0 |
2xM32x1.5 |
76 |
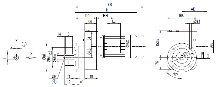
Монтажное исполнение на фланце EF48 (Тип A)

Тип фланца |
a1 |
b1 |
to2 |
c1 |
e1 |
f1 |
s1 |
d |
to1 |
l |
l3 |
l4 |
t |
u |
i2 |
DR |
A120 |
120 |
80 |
j6 |
8 |
100 |
3.0 |
6.8 |
25 *) |
k6 |
50 |
7 |
40 |
28 |
8 |
50 |
M10x22 |
30 |
k6 |
60 |
7 |
50 |
33 |
8 |
60 |
M10x22 |
A140 |
140 |
95 |
j6 |
10 |
115 |
3.0 |
9.0 |
25 *) |
k6 |
50 |
7 |
40 |
28 |
8 |
50 |
M10x22 |
30 |
k6 |
60 |
7 |
50 |
33 |
8 |
60 |
M10x22 |
A160 |
160 |
110 |
j6 |
10 |
130 |
3.5 |
9.0 |
25 *) |
k6 |
50 |
7 |
40 |
28 |
8 |
50 |
M10x22 |
30 |
k6 |
60 |
7 |
50 |
33 |
8 |
60 |
M10x22 |
A200 |
200 |
130 |
j6 |
12 |
165 |
3.5 |
11.0 |
25 *) |
k6 |
50 |
7 |
40 |
28 |
8 |
50 |
M10x22 |
30 |
k6 |
60 |
7 |
50 |
33 |
8 |
60 |
M10x22 |
A250 |
250 |
180 |
j6 |
15 |
215 |
4.0 |
13.5 |
25 *) |
k6 |
50 |
7 |
40 |
28 |
8 |
50 |
M10x22 |
30 |
k6 |
60 |
7 |
50 |
33 |
8 |
60 |
M10x22 |
| Мотор |
EF48
k |
kB |
AC |
AD |
AG |
LL |
HH |
O |
Вес
EF48 |
LA71 |
363.0 |
418.0 |
139.0 |
146 |
90 |
90 |
109.0 |
M20x1.5/M25x1.5 |
17 |
LA71Z |
382.0 |
437.0 |
139.0 |
146 |
90 |
90 |
109.0 |
M20x1.5/M25x1.5 |
17 |
LA80 |
400.0 |
463.5 |
156.5 |
155 |
90 |
90 |
108.5 |
M20x1.5/M25x1.5 |
22 |
LA80Z |
422.5 |
486.0 |
156.5 |
155 |
90 |
90 |
181.5 |
M20x1.5/M25x1.5 |
26 |
LA90S/L |
431.0 |
502.0 |
174.0 |
163 |
90 |
90 |
108.5 |
M20x1.5/M25x1.5 |
27 |
LA90ZL |
476.0 |
547.0 |
174.0 |
163 |
90 |
90 |
232.5 |
M20x1.5/M25x1.5 |
33 |
LA100L |
477.0 |
558.0 |
195.0 |
168 |
120 |
120 |
149.0 |
2xM32x1.5 |
36 |
LA100ZL |
547.0 |
628.0 |
195.0 |
168 |
120 |
120 |
281.0 |
2xM32x1.5 |
46 |
LA112M |
506.0 |
587.0 |
219.0 |
181 |
120 |
120 |
154.0 |
2xM32x1.5 |
47 |
LA112ZM |
534.0 |
615.0 |
219.0 |
181 |
120 |
120 |
258.0 |
2xM32x1.5 |
54 |
LA132S/M |
568.5 |
670.5 |
259.0 |
195 |
140 |
140 |
197.0 |
2xM32x1.5 |
57 |
LA132ZM |
614.5 |
716.5 |
259.0 |
195 |
140 |
140 |
305.0 |
2xM32x1.5 |
78 |
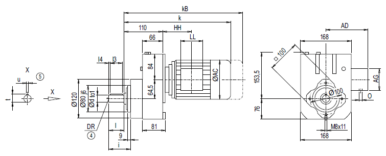
Монтажное исполнение с фланцевым корпусом (тип C) EZ48

| d |
to1 |
l |
l4 |
l3 |
t |
u |
i |
DR |
25 *) |
k6 |
50 |
7 |
40 |
28 |
8 |
63 |
M10x22 |
30 |
k6 |
60 |
7 |
50 |
33 |
8 |
73 |
M10x22 |
| Мотор |
EZ48
k |
kB |
AC |
AD |
AG |
LL |
HH |
O |
Вес
EZ48 |
LA71 |
363.0 |
418.0 |
139.0 |
146 |
90 |
90 |
109.0 |
M20x1.5/M25x1.5 |
14 |
LA71Z |
382.0 |
437.0 |
139.0 |
146 |
90 |
90 |
109.0 |
M20x1.5/M25x1.5 |
14 |
LA80 |
400.0 |
463.5 |
156.5 |
155 |
90 |
90 |
108.5 |
M20x1.5/M25x1.5 |
19 |
LA80Z |
422.5 |
486.0 |
156.5 |
155 |
90 |
90 |
181.5 |
M20x1.5/M25x1.5 |
23 |
LA90S/L |
431.0 |
502.0 |
174.0 |
163 |
90 |
90 |
108.5 |
M20x1.5/M25x1.5 |
23 |
LA90ZL |
476.0 |
547.0 |
174.0 |
163 |
90 |
90 |
232.5 |
M20x1.5/M25x1.5 |
29 |
LA100L |
477.0 |
558.0 |
195.0 |
168 |
120 |
120 |
149.0 |
2xM32x1.5 |
33 |
LA100ZL |
547.0 |
628.0 |
195.0 |
168 |
120 |
120 |
281.0 |
2xM32x1.5 |
43 |
LA112M |
506.0 |
587.0 |
219.0 |
181 |
120 |
120 |
154.0 |
2xM32x1.5 |
44 |
LA112ZM |
534.0 |
615.0 |
219.0 |
181 |
120 |
120 |
258.0 |
2xM32x1.5 |
51 |
LA132S/M |
568.5 |
670.5 |
259.0 |
195 |
140 |
140 |
197.0 |
2xM32x1.5 |
54 |
LA132ZM |
614.5 |
716.5 |
259.0 |
195 |
140 |
140 |
305.0 |
2xM32x1.5 |
75 |
|