|
Монтажное исполнение на лапах D88, Z88

| d |
to1 |
l |
l4 |
l3 |
t |
u |
i |
DR |
50 *) |
k6 |
100 |
10 |
80 |
53.5 |
14 |
140 |
M16x36 |
60 |
m6 |
120 |
10 |
100 |
64.0 |
18 |
160 |
M20x42 |
| Мотор |
Z88
k |
kB |
D88
k |
kB |
AC |
AD |
AG |
LL |
Z88
HH |
D88
HH |
O |
Вес
Z88 |
D88 |
LA71 |
– |
– |
523.0 |
578.0 |
139.0 |
146.0 |
90 |
90 |
– |
113.0 |
M20x1.5/M25x1.5 |
– |
76 |
LA71Z |
– |
– |
542.0 |
597.0 |
139.0 |
146.0 |
90 |
90 |
– |
113.0 |
M20x1.5/M25x1.5 |
– |
76 |
LA80 |
– |
– |
560.0 |
623.5 |
156.5 |
155.0 |
90 |
90 |
– |
112.5 |
M20x1.5/M25x1.5 |
– |
81 |
LA80Z |
– |
– |
582.5 |
646.0 |
156.5 |
155.0 |
90 |
90 |
– |
185.5 |
M20x1.5/M25x1.5 |
– |
85 |
LA90S/L |
566.0 |
637.0 |
591.0 |
662.0 |
174.0 |
163.0 |
90 |
90 |
87.5 |
112.5 |
M20x1.5/M25x1.5 |
85 |
86 |
LA90ZL |
611.0 |
682.0 |
636.0 |
707.0 |
174.0 |
163.0 |
90 |
90 |
211.5 |
236.5 |
M20x1.5/M25x1.5 |
91 |
92 |
LA100L |
609.5 |
690.5 |
637.0 |
718.0 |
195.0 |
168.0 |
120 |
120 |
125.5 |
153.0 |
2xM32x1.5 |
93 |
95 |
LA100ZL |
679.5 |
760.5 |
707.0 |
788.0 |
195.0 |
168.0 |
120 |
120 |
257.5 |
285.0 |
2xM32x1.5 |
103 |
105 |
LA112M |
635.5 |
716.5 |
664.5 |
745.5 |
219.0 |
181.0 |
120 |
120 |
127.5 |
156.5 |
2xM32x1.5 |
106 |
107 |
LA112ZM |
663.5 |
744.6 |
692.5 |
773.5 |
219.0 |
181.0 |
120 |
120 |
231.5 |
260.5 |
2xM32x1.5 |
113 |
114 |
LA132S/M |
695.5 |
797.5 |
723.5 |
825.5 |
259.0 |
195.0 |
140 |
140 |
168.0 |
196.0 |
2xM32x1.5 |
117 |
120 |
LA132ZM |
741.5 |
843.5 |
769.5 |
871.5 |
259.0 |
195.0 |
140 |
140 |
276.0 |
304.0 |
2xM32x1.5 |
138 |
141 |
LA160M/L |
800.0 |
918.5 |
– |
– |
313.5 |
227.0 |
165 |
165 |
195.5 |
– |
2xM40x1.5 |
152 |
– |
LA160ZL |
848.0 |
966.5 |
– |
– |
313.5 |
227.0 |
165 |
165 |
348.5 |
– |
2xM40x1.5 |
191 |
– |
LG180M/L |
859.5 |
981.5 |
– |
– |
348.0 |
322.5 |
260 |
192 |
212.5 |
– |
2xM40x1.5 |
244 |
– |
LG180ZM/ZL |
910.5 |
1 032.5 |
– |
– |
348.0 |
322.5 |
260 |
192 |
212.5 |
– |
2xM40x1.5 |
274 |
– |
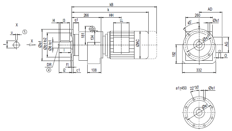
Монтажное исполнение на фланце DF/ZF88 (тип A)

| Фланец |
a1 |
b1 |
to2 |
c1 |
e1 |
f1 |
q1 |
s1 |
d |
to1 |
l |
l4 |
l3 |
t |
u |
i2 |
DR |
A300 |
300 |
230 |
j6 |
16 |
265 |
4 |
54 |
13.5 |
50 *) |
k6 |
100 |
10 |
80 |
53.5 |
14 |
100 |
M16x36 |
60 |
m6 |
120 |
10 |
100 |
64.0 |
18 |
120 |
M20x42 |
A350 |
350 |
250 |
j6 |
18 |
300 |
5 |
52 |
17.5 |
50 *) |
k6 |
100 |
10 |
80 |
53.5 |
14 |
100 |
M16x36 |
60 |
m6 |
120 |
10 |
100 |
64.0 |
18 |
120 |
M20x42 |
A450 |
450 |
350 |
j6 |
18 |
400 |
5 |
52 |
17.5 |
50 *) |
k6 |
100 |
10 |
80 |
53.5 |
14 |
100 |
M16x36 |
60 |
m6 |
120 |
10 |
100 |
64.0 |
18 |
120 |
M20x42 |
| Мотор |
ZF88
k |
kB |
DF88
k |
kB |
AC |
AD |
AG |
LL |
ZF88
HH |
DF88
HH |
O |
Вес
ZF88 DF88 |
LA71 |
– |
– |
523.0 |
578.0 |
139.0 |
146.0 |
90 |
90 |
– |
113.0 |
M20x1.5/M25x1.5 |
– |
78 |
LA71Z |
– |
– |
542.0 |
597.0 |
139.0 |
146.0 |
90 |
90 |
– |
113.0 |
M20x1.5/M25x1.5 |
– |
78 |
LA80 |
– |
– |
560.0 |
623.5 |
156.5 |
155.0 |
90 |
90 |
– |
112.5 |
M20x1.5/M25x1.5 |
– |
83 |
LA80Z |
– |
– |
582.5 |
646.0 |
156.5 |
155.0 |
90 |
90 |
– |
185.5 |
M20x1.5/M25x1.5 |
– |
87 |
LA90S/L |
566.0 |
637.0 |
591.0 |
662.0 |
174.0 |
163.0 |
90 |
90 |
87.5 |
112.5 |
M20x1.5/M25x1.5 |
87 |
88 |
LA90ZL |
611.0 |
682.0 |
636.0 |
707.0 |
174.0 |
163.0 |
90 |
90 |
211.5 |
236.5 |
M20x1.5/M25x1.5 |
93 |
94 |
LA100L |
609.5 |
690.5 |
637.0 |
718.0 |
195.0 |
168.0 |
120 |
120 |
125.5 |
153.0 |
2xM32x1.5 |
95 |
97 |
LA100ZL |
679.5 |
760.5 |
707.0 |
788.0 |
195.0 |
168.0 |
120 |
120 |
257.5 |
285.0 |
2xM32x1.5 |
105 |
107 |
LA112M |
635.5 |
716.5 |
664.5 |
745.5 |
219.0 |
181.0 |
120 |
120 |
127.5 |
156.5 |
2xM32x1.5 |
108 |
109 |
LA112ZM |
663.5 |
744.6 |
692.5 |
773.5 |
219.0 |
181.0 |
120 |
120 |
231.5 |
260.5 |
2xM32x1.5 |
115 |
116 |
LA132S/M |
695.5 |
797.5 |
723.5 |
825.5 |
259.0 |
195.0 |
140 |
140 |
168.0 |
196.0 |
2xM32x1.5 |
119 |
122 |
LA132ZM |
741.5 |
843.5 |
769.5 |
871.5 |
259.0 |
195.0 |
140 |
140 |
276.0 |
304.0 |
2xM32x1.5 |
140 |
143 |
LA160M/L |
800.0 |
918.5 |
– |
– |
313.5 |
227.0 |
165 |
165 |
195.5 |
– |
2xM40x1.5 |
154 |
– |
LA160ZL |
848.0 |
966.5 |
– |
– |
313.5 |
227.0 |
165 |
165 |
348.5 |
– |
2xM40x1.5 |
193 |
– |
LG180M/L |
859.5 |
981.5 |
– |
– |
348.0 |
322.5 |
260 |
192 |
212.5 |
– |
2xM40x1.5 |
246 |
– |
LG180ZM/ZL |
910.5 |
1 032.5 |
– |
– |
348.0 |
322.5 |
260 |
192 |
212.5 |
– |
2xM40x1.5 |
276 |
– |
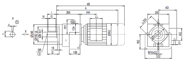
Монтажное исполнение на фланце DZ/ZZ88 (тип С)

| d |
to1 |
l |
l4 |
l3 |
t |
u |
i2 |
DR |
50 *) |
k6 |
100 |
10 |
80 |
53.5 |
14 |
122 |
M16x36 |
60 |
m6 |
120 |
10 |
100 |
64.0 |
18 |
142 |
M20x42 |
| Мотор |
ZZ88
k |
kB |
DZ88
k |
kB |
AC |
AD |
AG |
LL |
ZZ88
HH |
DZ88
HH |
O |
Вес
ZZ88 DZ88 |
LA71 |
– |
– |
523.0 |
578.0 |
139.0 |
146.0 |
90 |
90 |
– |
113.0 |
M20x1.5/M25x1.5 |
– |
69 |
LA71Z |
– |
– |
542.0 |
597.0 |
139.0 |
146.0 |
90 |
90 |
– |
113.0 |
M20x1.5/M25x1.5 |
– |
69 |
LA80 |
– |
– |
560.0 |
623.5 |
156.5 |
155.0 |
90 |
90 |
– |
112.5 |
M20x1.5/M25x1.5 |
– |
74 |
LA80Z |
– |
– |
582.5 |
646.0 |
156.5 |
155.0 |
90 |
90 |
– |
185.5 |
M20x1.5/M25x1.5 |
– |
78 |
LA90S/L |
566.0 |
637.0 |
591.0 |
662.0 |
174.0 |
163.0 |
90 |
90 |
87.5 |
112.5 |
M20x1.5/M25x1.5 |
79 |
79 |
LA90ZL |
611.0 |
682.0 |
636.0 |
707.0 |
174.0 |
163.0 |
90 |
90 |
211.5 |
236.5 |
M20x1.5/M25x1.5 |
85 |
85 |
LA100L |
609.5 |
690.5 |
637.0 |
718.0 |
195.0 |
168.0 |
120 |
120 |
125.5 |
153.0 |
2xM32x1.5 |
87 |
88 |
LA100ZL |
679.5 |
760.5 |
707.0 |
788.0 |
195.0 |
168.0 |
120 |
120 |
257.5 |
285.0 |
2xM32x1.5 |
97 |
98 |
LA112M |
635.5 |
716.5 |
664.5 |
745.5 |
219.0 |
181.0 |
120 |
120 |
127.5 |
156.5 |
2xM32x1.5 |
99 |
101 |
LA112ZM |
663.5 |
744.6 |
692.5 |
773.5 |
219.0 |
181.0 |
120 |
120 |
231.5 |
260.5 |
2xM32x1.5 |
106 |
108 |
LA132S/M |
695.5 |
797.5 |
723.5 |
825.5 |
259.0 |
195.0 |
140 |
140 |
168.0 |
196.0 |
2xM32x1.5 |
110 |
113 |
LA132ZM |
741.5 |
843.5 |
769.5 |
871.5 |
259.0 |
195.0 |
140 |
140 |
276.0 |
304.0 |
2xM32x1.5 |
132 |
134 |
LA160M/L |
800.0 |
918.5 |
– |
– |
313.5 |
227.0 |
165 |
165 |
195.5 |
– |
2xM40x1.5 |
145 |
– |
LA160ZL |
848.0 |
966.5 |
– |
– |
313.5 |
227.0 |
165 |
165 |
348.5 |
– |
2xM40x1.5 |
184 |
– |
LG180M/L |
859.5 |
981.5 |
– |
– |
348.0 |
322.5 |
260 |
192 |
212.5 |
– |
2xM40x1.5 |
237 |
– |
LG180ZM/ZL |
910.5 |
1 032.5 |
– |
– |
348.0 |
322.5 |
260 |
192 |
212.5 |
– |
2xM40x1.5 |
267 |
– |
|