|
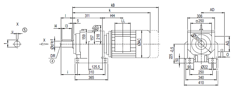
Монтажное исполнение на лапах D108, Z108

| d |
to1 |
l |
l4 |
l3 |
t |
u |
i |
DR |
60 *) |
m6 |
120 |
10 |
100 |
64.0 |
18 |
159.5 |
M20x42 |
70 |
m6 |
140 |
15 |
110 |
74.5 |
20 |
179.5 |
M20x42 |
| Мотор |
Z108
k |
kB |
D108
k |
kB |
AC |
AD |
AG |
LL |
Z108
HH |
D108
HH |
O |
Вес
Z108 D108 |
LA80 |
– |
– |
599.0 |
662.5 |
156.5 |
155.0 |
90 |
90 |
– |
106.5 |
M20x1.5/M25x1.5 |
– |
130 |
LA80Z |
– |
– |
621.5 |
685.0 |
156.5 |
155.0 |
90 |
90 |
– |
179.5 |
M20x1.5/M25x1.5 |
– |
134 |
LA90S/L |
599.5 |
670.5 |
630.0 |
701.0 |
174.0 |
163.0 |
90 |
90 |
76.0 |
106.5 |
M20x1.5/M25x1.5 |
133 |
135 |
LA90ZL |
644.5 |
715.5 |
675.0 |
746.0 |
174.0 |
163.0 |
90 |
90 |
200.0 |
230.5 |
M20x1.5/M25x1.5 |
139 |
141 |
LA100L |
642.5 |
723.5 |
676.0 |
757.0 |
195.0 |
168.0 |
120 |
120 |
113.5 |
147.0 |
2xM32x1.5 |
141 |
144 |
LA100ZL |
712.5 |
793.5 |
746.0 |
827.0 |
195.0 |
168.0 |
120 |
120 |
245.5 |
279.0 |
2xM32x1.5 |
151 |
154 |
LA112M |
669.0 |
750.0 |
700.5 |
781.5 |
219.0 |
181.0 |
120 |
120 |
116.0 |
147.5 |
2xM32x1.5 |
152 |
156 |
LA112ZM |
697.0 |
778.0 |
728.5 |
809.5 |
219.0 |
181.0 |
120 |
120 |
220.0 |
251.5 |
2xM32x1.5 |
159 |
163 |
LA132S/M |
728.0 |
830.0 |
760.5 |
862.5 |
259.0 |
195.0 |
140 |
140 |
155.5 |
188.0 |
2xM32x1.5 |
163 |
168 |
LA132ZM |
774.0 |
876.0 |
806.5 |
908.5 |
259.0 |
195.0 |
140 |
140 |
263.5 |
296.0 |
2xM32x1.5 |
184 |
189 |
LA160M/L |
833.5 |
952.0 |
863.0 |
981.5 |
313.5 |
227.0 |
165 |
165 |
184.0 |
213.5 |
2xM40x1.5 |
198 |
205 |
LA160ZL |
881.5 |
1 000.0 |
911.0 |
1 029.5 |
313.5 |
227.0 |
165 |
165 |
337.0 |
366.5 |
2xM40x1.5 |
237 |
244 |
LG180M/L |
890.0 |
1 012.0 |
– |
– |
348.0 |
322.5 |
260 |
192 |
198.0 |
– |
2xM40x1.5 |
294 |
– |
LG180ZM/ZL |
941.0 |
1 063.0 |
– |
– |
348.0 |
322.5 |
260 |
192 |
198.0 |
– |
2xM40x1.5 |
324 |
– |
LG200L |
946.0 |
1 072.0 |
– |
– |
385.0 |
301.0 |
260 |
192 |
228.0 |
– |
2xM50x1.5 |
374 |
– |
K4-LGI225S |
1 206.5 |
1 445.5 |
– |
– |
442.0 |
325.0 |
260 |
192 |
443.0 |
– |
2xM50x1.5 |
530 |
– |
K4-LGI225M |
1 206.5 |
1 445.5 |
– |
– |
442.0 |
325.0 |
260 |
192 |
443.0 |
– |
2xM50x1.5 |
518 |
– |
K4-LGI225ZM |
1 266.5 |
1 505.5 |
– |
– |
442.0 |
325.0 |
260 |
192 |
443.0 |
– |
2xM50x1.5 |
576 |
– |
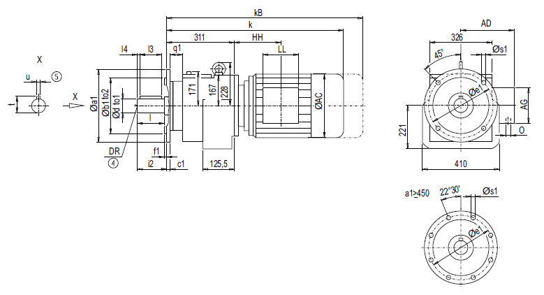
Монтажное исполнение на фланце DF/ZF108 (тип A)

| Фланец |
a1 |
b1 |
to2 |
c1 |
e1 |
f1 |
q1 |
s1 |
d |
to1 |
l |
l4 |
l3 |
t |
u |
i2 |
DR |
A350 |
350 |
250 |
h6 |
18 |
300 |
5 |
41 |
17.5 |
60 *) |
m6 |
120 |
10 |
100 |
64.0 |
18 |
120 |
M20x42 |
70 |
m6 |
140 |
15 |
110 |
74.5 |
20 |
140 |
M20x42 |
A450 |
450 |
350 |
h6 |
20 |
400 |
5 |
39 |
17.5 |
60 *) |
m6 |
120 |
10 |
100 |
64.0 |
18 |
120 |
M20x42 |
70 |
m6 |
140 |
15 |
110 |
74.5 |
20 |
140 |
M20x42 |
| Мотор |
ZF108
k |
kB |
DF108
k |
kB |
AC |
AD |
AG |
LL |
ZF108
HH |
DF108
HH |
O |
Вес
ZF108 DF108 |
LA80 |
– |
– |
599.0 |
662.5 |
156.5 |
155.0 |
90 |
90 |
– |
106.5 |
M20x1.5/M25x1.5 |
– |
129 |
LA80Z |
– |
– |
621.5 |
685.0 |
156.5 |
155.0 |
90 |
90 |
– |
179.5 |
M20x1.5/M25x1.5 |
– |
133 |
LA90S/L |
599.5 |
670.5 |
630.0 |
701.0 |
174.0 |
163.0 |
90 |
90 |
76.0 |
106.5 |
M20x1.5/M25x1.5 |
131 |
134 |
LA90ZL |
644.5 |
715.5 |
675.0 |
746.0 |
174.0 |
163.0 |
90 |
90 |
200.0 |
230.5 |
M20x1.5/M25x1.5 |
137 |
140 |
LA100L |
642.5 |
723.5 |
676.0 |
757.0 |
195.0 |
168.0 |
120 |
120 |
113.5 |
147.0 |
2xM32x1.5 |
139 |
143 |
LA100ZL |
712.5 |
793.5 |
746.0 |
827.0 |
195.0 |
168.0 |
120 |
120 |
245.5 |
279.0 |
2xM32x1.5 |
149 |
153 |
LA112M |
669.0 |
750.0 |
700.5 |
781.5 |
219.0 |
181.0 |
120 |
120 |
116.0 |
147.5 |
2xM32x1.5 |
151 |
155 |
LA112ZM |
697.0 |
778.0 |
728.5 |
809.5 |
219.0 |
181.0 |
120 |
120 |
220.0 |
251.5 |
2xM32x1.5 |
158 |
162 |
LA132S/M |
728.0 |
830.0 |
760.5 |
862.5 |
259.0 |
195.0 |
140 |
140 |
155.5 |
188.0 |
2xM32x1.5 |
162 |
167 |
LA132ZM |
774.0 |
876.0 |
806.5 |
908.5 |
259.0 |
195.0 |
140 |
140 |
263.5 |
296.0 |
2xM32x1.5 |
183 |
188 |
LA160M/L |
833.5 |
952.0 |
863.0 |
981.5 |
313.5 |
227.0 |
165 |
165 |
184.0 |
213.5 |
2xM40x1.5 |
196 |
204 |
LA160ZL |
881.5 |
1 000.0 |
911.0 |
1 029.5 |
313.5 |
227.0 |
165 |
165 |
337.0 |
366.5 |
2xM40x1.5 |
235 |
243 |
LG180M/L |
890.0 |
1 012.0 |
– |
– |
348.0 |
322.5 |
260 |
192 |
198.0 |
– |
2xM40x1.5 |
293 |
– |
LG180ZM/ZL |
941.0 |
1 063.0 |
– |
– |
348.0 |
322.5 |
260 |
192 |
198.0 |
– |
2xM40x1.5 |
323 |
– |
LG200L |
946.0 |
1 072.0 |
– |
– |
385.0 |
301.0 |
260 |
192 |
228.0 |
– |
2xM50x1.5 |
373 |
– |
K4-LGI225S |
1 206.5 |
1 445.5 |
– |
– |
442.0 |
325.0 |
260 |
192 |
443.0 |
– |
2xM50x1.5 |
529 |
– |
K4-LGI225M |
1 206.5 |
1 445.5 |
– |
– |
442.0 |
325.0 |
260 |
192 |
443.0 |
– |
2xM50x1.5 |
517 |
– |
K4-LGI225ZM |
1 266.5 |
1 505.5 |
– |
– |
442.0 |
325.0 |
260 |
192 |
443.0 |
– |
2xM50x1.5 |
575 |
– |
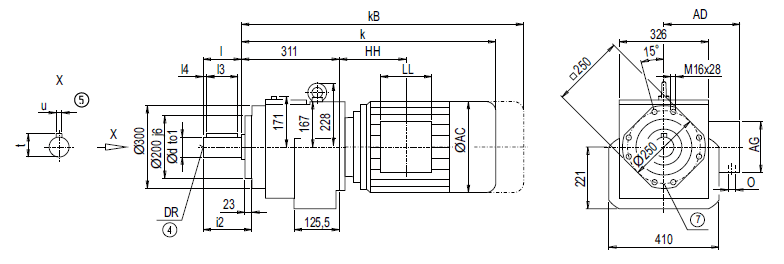
Монтажное исполнение на фланце DZ/ZZ108 (тип С)

| d |
to1 |
l |
l4 |
l3 |
t |
u |
i2 |
DR |
60 *) |
m6 |
120 |
10 |
100 |
64.0 |
18 |
148 |
M20x42 |
70 |
m6 |
140 |
15 |
110 |
74.5 |
20 |
168 |
M20x42 |
| Мотор |
ZZ108
k |
kB |
DZ108
k |
kB |
AC |
AD |
AG |
LL |
ZZ108
HH |
DZ108
HH |
O |
Вес
ZZ108 DZ108 |
LA80 |
– |
– |
599.0 |
662.5 |
156.5 |
155.0 |
90 |
90 |
– |
106.5 |
M20x1.5/M25x1.5 |
– |
121 |
LA80Z |
– |
– |
621.5 |
685.0 |
156.5 |
155.0 |
90 |
90 |
– |
179.5 |
M20x1.5/M25x1.5 |
– |
125 |
LA90S/L |
599.5 |
670.5 |
630.0 |
701.0 |
174.0 |
163.0 |
90 |
90 |
76.0 |
106.5 |
M20x1.5/M25x1.5 |
124 |
126 |
LA90ZL |
644.5 |
715.5 |
675.0 |
746.0 |
174.0 |
163.0 |
90 |
90 |
200.0 |
230.5 |
M20x1.5/M25x1.5 |
130 |
132 |
LA100L |
642.5 |
723.5 |
676.0 |
757.0 |
195.0 |
168.0 |
120 |
120 |
113.5 |
147.0 |
2xM32x1.5 |
132 |
135 |
LA100ZL |
712.5 |
793.5 |
746.0 |
827.0 |
195.0 |
168.0 |
120 |
120 |
245.5 |
279.0 |
2xM32x1.5 |
142 |
145 |
LA112M |
669.0 |
750.0 |
700.5 |
781.5 |
219.0 |
181.0 |
120 |
120 |
116.0 |
147.5 |
2xM32x1.5 |
144 |
147 |
LA112ZM |
697.0 |
778.0 |
728.5 |
809.5 |
219.0 |
181.0 |
120 |
120 |
220.0 |
251.5 |
2xM32x1.5 |
151 |
154 |
LA132S/M |
728.0 |
830.0 |
760.5 |
862.5 |
259.0 |
195.0 |
140 |
140 |
155.5 |
188.0 |
2xM32x1.5 |
154 |
159 |
LA132ZM |
774.0 |
876.0 |
806.5 |
908.5 |
259.0 |
195.0 |
140 |
140 |
263.5 |
296.0 |
2xM32x1.5 |
175 |
180 |
LA160M/L |
833.5 |
952.0 |
863.0 |
981.5 |
313.5 |
227.0 |
165 |
165 |
184.0 |
213.5 |
2xM40x1.5 |
189 |
196 |
LA160ZL |
881.5 |
1 000.0 |
911.0 |
1 029.5 |
313.5 |
227.0 |
165 |
165 |
337.0 |
366.5 |
2xM40x1.5 |
228 |
235 |
LG180M/L |
890.0 |
1 012.0 |
– |
– |
348.0 |
322.5 |
260 |
192 |
198.0 |
– |
2xM40x1.5 |
285 |
– |
LG180ZM/ZL |
941.0 |
1 063.0 |
– |
– |
348.0 |
322.5 |
260 |
192 |
198.0 |
– |
2xM40x1.5 |
315 |
– |
LG200L |
946.0 |
1 072.0 |
– |
– |
385.0 |
301.0 |
260 |
192 |
228.0 |
– |
2xM50x1.5 |
365 |
– |
K4-LGI225S |
1 206.5 |
1 445.5 |
– |
– |
442.0 |
325.0 |
260 |
192 |
443.0 |
– |
2xM50x1.5 |
521 |
– |
K4-LGI225M |
1 206.5 |
1 445.5 |
– |
– |
442.0 |
325.0 |
260 |
192 |
443.0 |
– |
2xM50x1.5 |
509 |
– |
K4-LGI225ZM |
1 266.5 |
1 505.5 |
– |
– |
442.0 |
325.0 |
260 |
192 |
443.0 |
– |
2xM50x1.5 |
567 |
– |
|