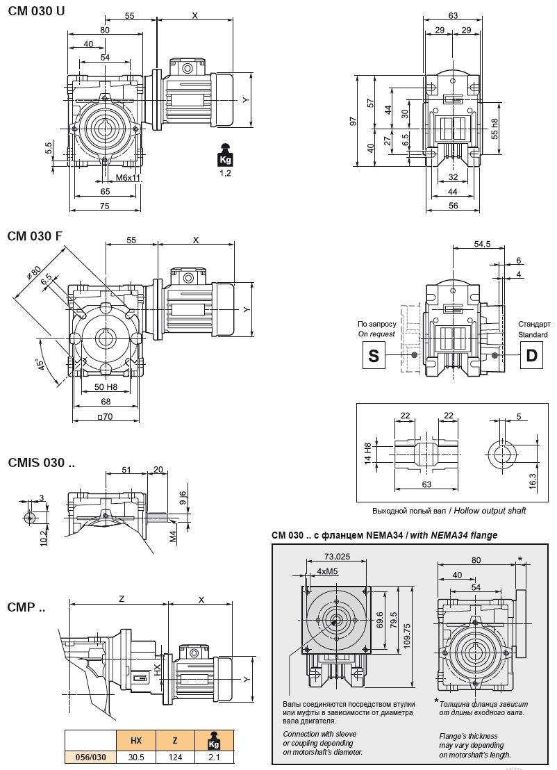
Мотор-редуктор CM030 TRANSTECNO имеет червячный тип передачи. Выходной вал полый со шпоночным пазом. Диаметр вала – 14 мм. Корпус редуктора имеет небольшой вес т.к. изготовлен из алюминия.