
Размеры защитного кожуха цилиндро-конических мотор-редукторов Bonfiglioli |
| |
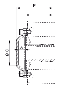
Защитный кожух
ТИП
|
A |
ØC |
P |
A 05 |
17.5 |
36 |
73.5 |
A 10 |
20.5 |
60 |
84.5 |
A 20 |
20 |
75 |
94 |
A 30 |
20 |
75 |
104 |
A 35 |
19.5 |
80 |
114 |
A 41 |
21 |
110 |
120 |
A 50 |
26 |
100 |
148.5 |
A 55 |
27 |
100 |
149 |
A 60 |
25 |
100 |
158 |
A 70 |
33.5 |
120 |
193.5 |
A 80 |
38 |
140 |
228 |
A 90 |
43 |
152 |
258 |
|
| |