|
Фланец со сквозными отверстиями

BK40(Z) |
k
|
l
|
m |
n
|
о |
р |
q |
s
|
t
|
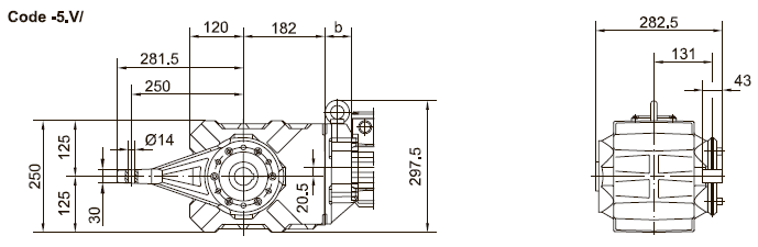
стандартный -3.V/ |
250 |
215 |
180 |
16 |
13.5 |
276 |
152 |
4 |
78 |
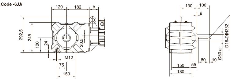
большой -4.V/ |
300 |
265 |
230 |
20 |
13.5 |
282 |
158 |
4 |
72 |
Тип |
a |
b |
c |
d |
|
Исполнение с тормозом |
lв |
Е003 |
Е004 |
Е008 |
Z008 |
Z015 |
Е075 |
св |
dв |
св |
dв |
св |
dв |
св |
dв |
св |
dв |
св |
dв |
BK40Z-../D05.. |
170 |
138.5 |
123 |
611 |
100 |
100 |
123 |
653 |
|
|
|
|
|
|
|
|
|
|
BK40Z-../D06.. |
170 |
138.5 |
123 |
611 |
100 |
100 |
123 |
653 |
|
|
|
|
|
|
|
|
|
|
BK40Z-../D07.. |
190 |
138.5 |
123 |
631 |
100 |
100 |
123 |
673 |
123 |
673 |
|
|
|
|
|
|
|
|
BK40-../D08.. |
200 |
60 |
156 |
562 |
115 |
115 |
|
|
|
|
166 |
637 |
|
|
|
|
|
|
BK40Z-../D08.. |
200 |
142.5 |
156 |
644 |
115 |
115 |
|
|
|
|
166 |
719 |
|
|
|
|
|
|
BK40-../D09.. |
251 |
74.5 |
181 |
627 |
124 |
124 |
|
|
|
|
192 |
707 |
192 |
721 |
192 |
727 |
|
|
BK40Z-../D09.. |
251 |
157 |
181 |
710 |
124 |
124 |
|
|
|
|
192 |
789 |
192 |
803 |
192 |
809 |
|
|
BK40-../D11.. |
319 |
81 |
228 |
702 |
181 |
181 |
|
|
|
|
|
|
|
|
231 |
805 |
231 |
835 |
Исполнение с моментным рычагом

Фланец резьбовыми отверстиями впереди

Лапы с резьбовыми отверстиями внизу

Лапы со сквозными отверстиями внизу

|