|
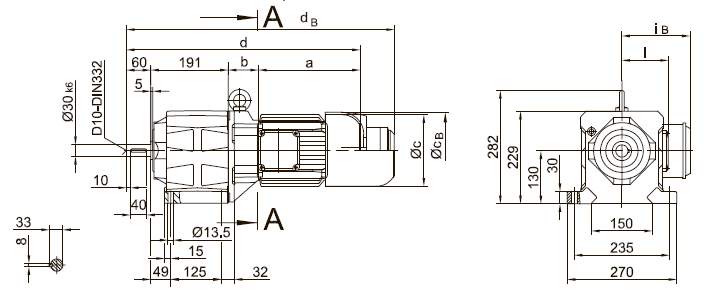
Вариант исполнения на лапах

Фланец со сквозными отверстиями

BG40(Z) |
k |
i
|
m |
n |
о |
q |
s |
t
|
D7 |
Dв7 |
стандартный -37/ |
200 |
165 |
130 |
12 |
11 |
210 |
3.5 |
60 |
d+19 |
db+19 |
большой -47/ |
250 |
215 |
180 |
16 |
13.5 |
219 |
4 |
51 |
d+19 |
db+19 |
Тип |
а |
b |
c |
d |
i
|
Исполнение с тормозом |
iв |
ЕОО3 |
ЕОО4 |
ЕОО8 |
Z008 |
Z015 |
ЕО75 |
Св |
dв |
Св |
dв |
Св |
dв |
Св |
dв |
Св |
dв |
Св |
dв |
BG40Z-../D05.. |
170 |
138.5 |
123 |
561 |
100 |
100 |
123 |
603 |
|
|
|
|
|
|
|
|
|
|
BG40Z-../D06.. |
170 |
138.5 |
123 |
561 |
100 |
100 |
123 |
603 |
|
|
|
|
|
|
|
|
|
|
BG40Z-../D07.. |
190 |
138.5 |
123 |
581 |
100 |
100 |
123 |
623 |
123 |
623 |
|
|
|
|
|
|
|
|
BG40-../D08.. |
200 |
60 |
156 |
511 |
115 |
115 |
|
|
|
|
166 |
586 |
|
|
|
|
|
|
BG40Z-../D08.. |
200 |
142.5 |
156 |
593 |
115 |
115 |
|
|
|
|
166 |
668 |
|
|
|
|
|
|
BG40-../D09.. |
251 |
74.5 |
181 |
576 |
124 |
124 |
|
|
|
|
192 |
656 |
192 |
670 |
192 |
676 |
|
|
BG40Z-../D09.. |
251 |
157 |
181 |
659 |
124 |
124 |
|
|
|
|
192 |
738 |
192 |
752 |
192 |
758 |
|
|
BG40-../D11.. |
319 |
81 |
228 |
651 |
181 |
181 |
|
|
|
|
|
|
|
|
231 |
754 |
231 |
784 |
|