
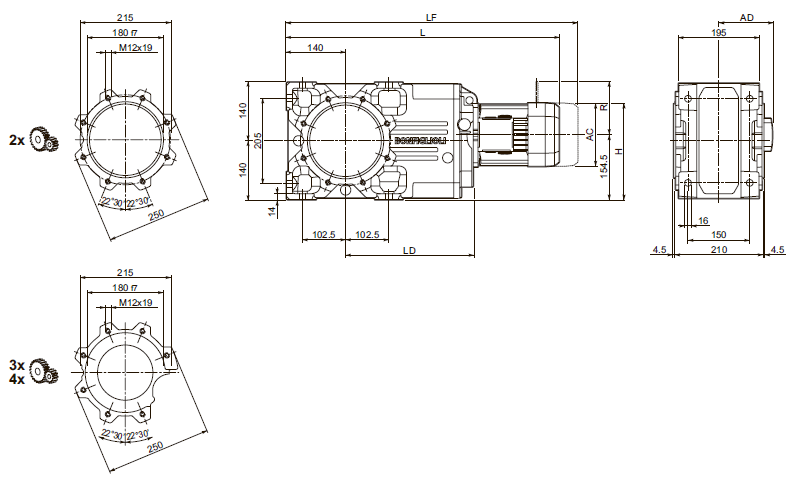
Габаритные и присоединительные размеры мотор-редукторы Bonfiglioli A 55 |
| |
A 55...M
| ТИП |
|
M_FD M_FA |
M_FD |
M_FA |
AC |
H |
L |
LD |
AD |
Вес |
LF |
Вес |
R |
AD |
R |
AD |
A 55 3 |
S1 |
M1S |
138 |
198.5 |
603.5 |
— |
108 |
80 |
666.5 |
82 |
103 |
132 |
124 |
108 |
A 55 3 |
S1 |
M1L |
138 |
198.5 |
627.5 |
— |
108 |
81 |
688.5 |
84 |
103 |
132 |
124 |
108 |
A 55 2/3 |
S2 |
M2S |
156 |
232 |
656.5 |
302.5 |
119 |
88 |
726.5 |
92 |
129 |
143 |
134 |
119 |
A 55 2/3 |
S3 |
M3S |
195 |
251 |
699.5 |
317.5 |
142 |
93 |
795.5 |
99 |
160 |
155 |
160 |
142 |
A 55 2/3 |
S3 |
M3L |
195 |
251 |
731.5 |
317.5 |
142 |
101 |
822.5 |
108 |
160 |
155 |
160 |
142 |
A 55 2/3 |
S4 |
M4 |
258 |
283 |
839.5 |
302.5 |
193 |
135 |
948.5 |
153 |
226 |
193 |
217 |
193 |
A 55 2/3 |
S4 |
M4LC |
258 |
283 |
874.5 |
302.5 |
193 |
143 |
973.5 |
161 |
226 |
193 |
217 |
193 |
A 55 2/3 |
S5 |
M5S |
310 |
309.5 |
896.5 |
— |
245 |
163 |
1036.5 |
193 |
266 |
245 |
247 |
245 |
A 55 2/3 |
S5 |
M5L |
310 |
309.5 |
940.5 |
— |
245 |
179 |
1080.5 |
209 |
266 |
245 |
247 |
245 |
A 55 4 |
S1 |
M1S |
138 |
223 |
675 |
— |
108 |
81 |
738 |
83 |
103 |
132 |
124 |
108 |
A 55 4 |
S1 |
M1L |
138 |
223 |
699 |
— |
108 |
82 |
760 |
85 |
103 |
132 |
124 |
108 |
A 55 4 |
S2 |
M2S |
156 |
232 |
728 |
— |
119 |
86 |
798 |
90 |
129 |
143 |
134 |
119 |
A 55 4 |
S3 |
M3S |
195 |
251.5 |
771 |
— |
142 |
91 |
867 |
98 |
160 |
155 |
160 |
142 |
A 55 4 |
S3 |
M3L |
195 |
251.5 |
803 |
— |
142 |
98 |
894 |
105 |
160 |
155 |
160 |
142 |
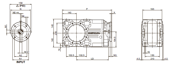
A 55...P(IEC)
ТИП
|
LD |
M |
M1 |
M2 |
N |
N1 |
N2 |
N3 |
N4 |
X |
P |
Вес |
A 55 3 |
P63 |
302.5 |
11 |
12.8 |
4 |
140 |
115 |
95 |
— |
M8x19 |
4 |
472.5 |
75 |
A 55 3 |
P71 |
302.5 |
14 |
16.3 |
5 |
160 |
130 |
110 |
— |
M8x16 |
4.5 |
472.5 |
75 |
A 55 2/3 |
P80 |
317.5 |
19 |
21.8 |
6 |
200 |
165 |
130 |
— |
M10x12 |
4 |
492 |
81 |
A 55 2/3 |
P90 |
317.5 |
24 |
27.3 |
8 |
200 |
165 |
130 |
— |
M10x12 |
4 |
492 |
81 |
A 55 2/3 |
P100 |
302.5 |
28 |
31.3 |
8 |
250 |
215 |
180 |
— |
M12x16 |
4.5 |
502 |
85 |
A 55 2/3 |
P112 |
302.5 |
28 |
31.3 |
8 |
250 |
215 |
180 |
— |
M12x16 |
4.5 |
502 |
85 |
A 55 2/3 |
P132 |
302.5 |
38 |
41.3 |
10 |
300 |
265 |
230 |
16 |
14 |
5 |
538.5 |
93 |
A 55 2/3 |
P160 |
— |
42 |
45.3 |
12 |
350 |
300 |
250 |
23 |
18 |
5.5 |
589 |
110 |
A 55 2/3 |
P180 |
— |
48 |
51.8 |
14 |
350 |
300 |
250 |
23 |
18 |
5.5 |
589 |
110 |
A 55 4 |
P63 |
— |
11 |
12.8 |
4 |
140 |
115 |
95 |
— |
M8x19 |
4 |
544 |
77 |
A 55 4 |
P71 |
— |
14 |
16.3 |
5 |
160 |
130 |
110 |
— |
M8x16 |
4.5 |
544 |
77 |
A 55 4 |
P80 |
— |
19 |
21.8 |
6 |
200 |
165 |
130 |
— |
M10x12 |
4 |
563.5 |
78 |
A 55 4 |
P90 |
— |
24 |
27.3 |
8 |
200 |
165 |
130 |
— |
M10x12 |
4 |
563.5 |
78 |
A 55 4 |
P100 |
— |
28 |
31.3 |
8 |
250 |
215 |
180 |
— |
M12x16 |
4.5 |
573.5 |
82 |
A 55 4 |
P112 |
— |
28 |
31.3 |
8 |
250 |
215 |
180 |
— |
M12x16 |
4.5 |
573.5 |
82 |
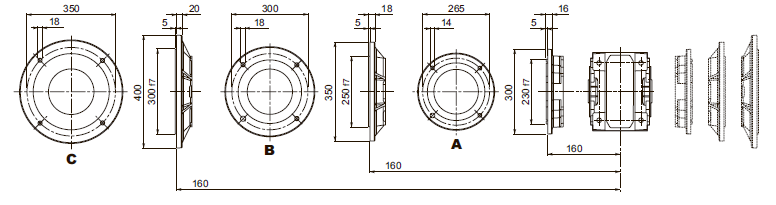
A 55...F...
A 55...UR
A 55...UD
A 55...UH
A 55...US
A 55...QF
A 55...UV
|
| |