
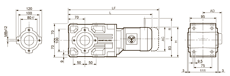
Габаритные и присоединительные размеры мотор-редукторы Bonfiglioli A 10 |
| |
A 10...M
| ТИП |
|
M_FD M_FA |
M_FD |
M_FA |
AC |
H |
L |
AD |
Вес |
LF |
Вес |
R |
AD |
R |
AD |
A 10 2 |
S05 |
M05 |
121 |
143.5 |
408.5 |
95 |
12 |
474.5 |
14 |
96 |
119 |
116 |
95 |
A 10 2 |
S1 |
M1S |
138 |
152 |
413.5 |
108 |
13 |
476.5 |
16 |
103 |
132 |
124 |
108 |
A 10 2 |
S1 |
M1L |
138 |
152 |
437.5 |
108 |
14 |
498.5 |
17 |
103 |
132 |
124 |
108 |
A 10 2 |
S2 |
M2S |
156 |
161 |
466.5 |
119 |
18 |
536.5 |
22 |
129 |
143 |
134 |
119 |
A 10 2 |
S3 |
M3S |
195 |
180.5 |
509.5 |
142 |
23 |
605.5 |
30 |
160 |
155 |
160 |
142 |
A 10 2 |
S3 |
M3L |
195 |
180.5 |
541.5 |
142 |
30 |
632.5 |
37 |
160 |
155 |
160 |
142 |
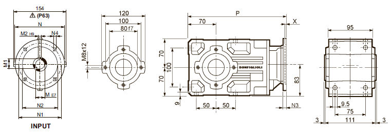
A 10...P(IEC)
| ТИП |
|
M |
M1 |
M2 |
N |
N1 |
N2 |
N3 |
N4 |
X |
P |
Вес
|
A 10 2 |
P63 |
11 |
12.8 |
4 |
140 |
115 |
95 |
— |
M8x10 |
4 |
282.5 |
8 |
A 10 2 |
P71 |
14 |
16.3 |
5 |
160 |
130 |
110 |
— |
M8x10 |
4.5 |
282.5 |
9 |
A 10 2 |
P80 |
19 |
21.8 |
6 |
200 |
165 |
130 |
— |
M10x12 |
4 |
302 |
9 |
A 10 2 |
P90 |
24 |
27.3 |
8 |
200 |
165 |
130 |
— |
M10x12 |
4 |
302 |
9 |
A 10 2 |
P100 |
28 |
31.3 |
8 |
250 |
215 |
180 |
— |
M12x16 |
4.5 |
312 |
13 |
A 10 2 |
P112 |
28 |
31.3 |
8 |
250 |
215 |
180 |
— |
M12x16 |
4.5 |
312 |
13 |
A 10...F...
A 10...UR
A 10...UD
A 10...UH
A 10...US
A 10...QF
|
| |